时间:2020-08-15 23:05:27
1、简答题 如图所示,在磁感应强度为B的匀强磁场中,两根金属杆OM、ON在O点相接,夹角为120°。金属棒AC与两金属杆接触,接触点是E、F,△OEF是等腰三角形,EO=L。金属杆、金属棒单位长度的电阻都是K,现让AC以加速度a从静止开始垂直于AC向左运动,求回路中电功率的最大值。(已知磁场方向垂直△OEF所在平面)。
?
参考答案:
本题解析:
本题难度:简单
2、选择题 图中两条平行虚线之间存在匀强磁场,虚线间的距离为L,磁场方向垂直纸面向里。abcd是位于纸面内的直角梯形线圈,ab与dc间的距离也为L,t=0时刻ab边与磁场区域边界重合,如图所示,现令线圈以恒定的速度v沿垂直于磁场区域边界的方向穿过磁场区域。取沿a→d→c→b→a的感应电流为正,则在线圈穿越磁场区域的过程中,感应电流I随时间t变化的图线可能是( ? )





参考答案:A
本题解析:
本题难度:一般
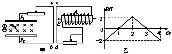
3、选择题 等离子气流由左方连续以v0射入Pl和P2两板间的匀强磁场中,ab直导线与Pl、P2相连接,线圈A与直导线cd连接。线圈A内有随图乙所示的变化磁场。且磁场B的正方向规定为向左,如图甲所示,则下列说法正确的是
[? ]
A.0~ls内ab、cd导线互相排斥
B.1~2s内ab、cd导线互相排斥
C.2~3s内ab、cd导线互相排斥
D.3~4s内ab、cd导线互相排斥
参考答案:CD
本题解析:
本题难度:一般
4、计算题 如图14甲所示,光滑的平行水平金属导轨
、
相距
,
在
点和
点间连接一个阻值为
的电阻,在两导轨间
矩形区域内有垂直导轨平面竖直向上、宽为
的匀强磁场,磁感应强度为
。一质量为
、电阻为
、长度也刚好为
的导体棒
垂直搁在导轨上,与磁场左边界相距
。现用一个水平向右的力
拉棒
,使它由静止开始运动,棒
离开磁场前已做匀速直线运动,棒
与导轨始终保持良好接触,导轨电阻不计,
随
与初始位置的距离
变化的情况如图14乙,
已知。求:
(1)棒
离开磁场右边界时的速度;
(2)棒
通过磁场区域的过程中整个回路所消耗的电能;
(3)
满足什么条件时,棒
进入磁场后一直做匀速运动。
参考答案:解:(1)设离开右边界时棒
速度为
,则有
?
?
对棒有:
?
解得:
?
(2)在
棒运动的整个过程中,由能量守恒定律得:
?
解得:?
?
(3)棒
刚进入磁场时即匀速运动,则: 
得:
本题解析:略
本题难度:简单
5、选择题 如右图所示,条形磁铁以速度v向螺旋管靠近,下面几种说法正确的是(?)
A.螺旋管中不会产生感应电流
B.螺旋管中会产生感应电流
C.只有磁铁的速度足够大时,螺旋管中才会产生感应电流
D.只有磁铁的磁性足够强时,螺旋管中才会产生
感应电流
参考答案:B
本题解析:条形磁铁以速度v向螺旋管靠近时,穿过螺旋管的磁通量发生了变化,因而螺旋管中会产生感应电流,B对.
本题难度:简单