时间:2019-06-29 05:28:50
1、计算题 如图甲,在真空中足够大的绝缘水平地面上,一个质量为m=0.2 kg,带电荷量为q=+2.0×10-6 C的小物块处于静止状态,小物块与地面间的动摩擦因数μ=0.1。从t=0时刻开始,空间加上一个如图乙所示的场强大小和方向呈周期性变化的电场(取水平向右的方向为正方向,g取10 m/s2)求:
(1)23 s内小物块的位移大小;
(2)23 s内电场力对小物块所做的功。 
参考答案:解:(1)0~2 s内物块加速度
,位移
2s末的速度为v2=a1t=4 m/s
2~4 s内物块加速度
,位移x2=x1=4 m
4s末的速度为v4=0
因此小物块做周期为4s的先加速后减速运动
第22 s末的速度也为v22=4 m/s
第23 s末的速度v23=v22+a2t=2 m/s (t=1 s)
所求位移为
(2)23 s内,设电场力对小物块所做的功为W,由动能定理:
?
解得W=9.8 J
本题解析:
本题难度:困难
2、选择题 如图所示,在两极板中间有一静止的电子,在交变电压作用下电子的运动情况是(不计重力,t=0时,M板电势为正,板间距离足够长)? ( )
A.一直向M板运动
B.一直向N板运动
C.先向M板运动,再一直向N板运动
D.在M、N间做周期性的来回运动
参考答案:D
本题解析:在第1s内,M板电势为正,故电场方向由M指向N,所以电子向M板加速运动,当1-2s内,根据运动的对称性,电子向M板做减速运动,2s末速度为零,在2-3s内,电子向N板做加速运动,当3-4s内时,电场方向由M指向N ,所以一电子向N板做减速运动,4s末速度为零,4-5s内,向M板做加速运动,当5-6s内电场方向由N指向M,所以电子向M板做减速运动,6s末速度为零,故电子在MN之间做周期性的来回运动,D正确,
点评:做本题的关键是理解MN间的电场方向的变化,
本题难度:一般
3、实验题 用如图所示的多用电表测量电阻,要用到选择开关K和两个部件S、T。请根据下列步骤完成电阻测量:
(1)旋动部件_______,使指针对准电流的
线。
(2)将K旋转到电阻挡“×100”位置。
(3)将插入“+”、“-”插孔的表笔短接,旋动部件__________,使指针?对准电阻的__________(填“0?刻线”或“∞刻线”)。
(4)将两表笔分别与待测电阻相接,发现指针偏转角度过小。为了得到比较准确的测量结果,请从下列选项中挑出合理的步骤,并按________的顺序进行操作,再完成读数测量。
A.将K旋转到电阻挡
的位置
B.将K旋转到电阻挡
的位置
C.将两表笔的金属部分分别与被测电阻的两根引线?相接
D.将两表笔短接,旋动合适部件,对电表进?行校准
参考答案:(1)S
(3)T,0刻线
(4)ADC
本题解析:
本题难度:一般
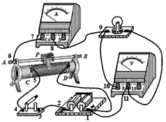
4、实验题 如图甲所示的电路中,1至11为连接点的标号。在开关闭合后,发现小灯泡不亮,电压表和电流表均无示数。现用多用电表检查电路故障,需要检测的有:电源、开关、变阻器、小灯泡、6根导线以及电路中的各连接点。已知电压表和电流表均无故障。 
(1)为了检测变阻器、小灯泡以及6根导线,在连接点1、2已接好的情况下,应当选用多用电表的_____________档;在连接点1、2同时断开的情况下,应当选用多用电表的_____________档。
(2)为了尽可能准确的完成探究小灯泡I-U特性的实验,图甲电路接线图中还存在错漏,请你在图甲中补画出正确的连接线。
(3)图乙是某实验小组的同学根椐实验数据绘制而成的小灯泡的U-I特性图线。随后他们将该小灯泡直接串接在电动势E=4.5V,内阻r=1.5Ω的直流电源上,则该小灯泡通电发光时的电功率约为_____________W。
参考答案:(1)电压,欧姆 (2)
(3)2.70(2.65至2.75均可)
本题解析:
本题难度:一般
5、简答题 某同学在练习使用多用电表测电流和定值电阻时,实验步骤如下:
①调整______,使指针指到零刻度.
②将选择开关拨到直流10mA挡,将多用电表串连接入电路,让电流从______(选填“红”或“黑”)表笔流入.
③将选择开关拨到“×10Ω”挡,测量定值电阻的阻值.在上述第③步中遗漏的操作是______.重新正确操作后,表盘指针如上图,则读数为______Ω.
参考答案:①使用欧姆表之前要先调整指针定位螺丝,使指针指到零刻度.
②多用电表中,电流都从红表笔流入.
③选择挡后,要短接两表笔,调整欧姆调零旋钮;读数为22×10=220Ω.
答案为:①指针定位螺丝
②红
③短接两表笔,调整欧姆调零旋钮 220
本题解析:
本题难度:一般