时间:2017-09-25 08:49:19
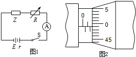
1、实验题 如图是多用表的刻度盘,当选用量程为50mA的电流档测量电流时,表针指于图示位置,则所测电流为______________mA;若选用倍率为“×100”的电阻档测电阻时,表针也指示在图示同一位置,则所测电阻的阻值为______________Ω。如果要用此多用表测量一个约2.0×104Ω的电阻,为了使测量比较精确,应选的欧姆档是______________(选填“×10”、“×100”或“×1K”)。换档结束后,实验操作上首先要进行的步骤是______________。
2、简答题 金属材料的电阻率通常随温度的升高而增大,半导体材料的电阻率随温度的升高而减少.某同学需要研究某导电材料的导电规律,他用该种导电材料制作为电阻较小的线状元件Z做实验,测量元件Z中的电流随两端电压从零逐渐增大过程中的变化规律.
(1)他应选用图所示的______电路进行实验
(2)实验测得元件Z的电压与电流的关系如下表所示.根据表中数据,判断元件Z是______?(填“金属材料”或“半导体材料”);
| U/V | 0 | 0.40 | 0.60 | 0.80 | 1.00 | 1.20 | 1.50 | 1.60 I/A 0 0.20 0.45 0.80 1.25 1.80 2.81 3.20 |

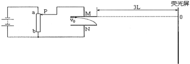
3、简答题 如图所示,是一个使电子束偏转的装置.电子枪从M板的左边缘连续发射一定速度的电子.电源电动势为E,内阻忽略不计.M、N为两个水平放置的极板,极板的长度为L,两极板间的距离为d.荧光屏距极板右边缘为3L.电子的质量为m,电荷量为e,其重力可忽略不计.当滑片P位于滑动变阻器的a端时,电子恰好从N板的右边缘飞出.若只将滑片P移至滑动变阻器的中点,电子能飞出电场,并打到荧光屏上的Q点,求OQ的距离.
4、选择题 如图所示是据某次实验记录的数据画出U—I图象,下列关于这个图像的说法中正确的是(?)
A.待测电源的电动势 是3.0V
B.横轴截距表示短路电流,值为0.6A
C.待测电源内电阻为0.5Ω
D.待测电源内阻为1Ω
5、选择题 如图所示,一个质量为m、带电荷量为+q的物体处于场强按E=kt规律(k为大于零的常数,取水平向左为正方向)变化的电场中,物体与绝缘竖直墙壁间的动摩擦因数为μ,当t=0时,物体由静止释放,若最大静摩擦力等于滑动摩擦力,且电场空间和墙面均足够大,下列说法正确的是 
[? ]
A.物体开始运动后加速度先增加后保持不变
B.物体开始运动后速度先增加后保持不变
C.当摩擦力大小等于物体所受重力时,物体运动速度可能最大也可能最小
D.经过时间
物体在竖直墙壁上的位移达最大值