时间:2017-09-25 08:49:19
1、简答题 现有一种特殊的电池,它的电动势E约为9V,内阻r约为45Ω,已知该电池允许输出的最大电流为50mA,为了测定这个电池的电动势和内阻,某同学利用如图(a)所示的电路进行实验,图中电压表的内阻很大,对电路的影响可不考虑,R为电阻箱,阻值范围0~9999Ω,R0是定值电阻,起保护电路的作用.
(1)实验室备有的定值电阻R0有以下几种规格:A.50Ω?B.150Ω?C.500Ω?D.1000Ω
本实验最好选哪一种规格?答:______.
(2)该同学接入符合要求的R0后,闭合开关S,调整电阻箱的阻值,读取电压表的示数,记录多组数据,作出了如图(b)所示的图线.则根据该同学所作出的图线可求得该电池的电动势E为______V,内阻r为______Ω.
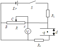
2、简答题 如图所示电路,电源电动势E=90V,内阻r=5Ω,R1=10Ω,R2=20Ω,板面水平放置的平行板电容器的两极板M、N相距d=3cm,在两板间的正中央有一带电液滴,电量q=2×10-7C,质量m=4×10-5kg,取g=10m/s2,求:
(1)若液滴恰好能处于静止状态,电压表的示数是多少?若此时滑动变阻器的滑动触头C正好在变阻器正中点,那么滑动变阻器的最大阻值Rm是多大?
(2)将滑动触头C迅速滑到A端,则液滴将向哪个极板作什么性质的运动?到达该极板时的速度是多大?
3、选择题 图中R是一种放射性物质,它能放出α、β、γ?三种射线,虚线框内是竖直方向的匀强电场,LL′是纸板,MM′是荧光屏,实验时发现在荧光屏上只有O、P两点处有亮斑.下列说法正确的是( )
A.电场方向竖直向下,到O点的是γ射线
B.电场方向竖直向上,到O点的是γ射线
C.电场方向竖直向下,到P点的是β射线
D.电场方向竖直向上,到P点的是α射线
4、简答题 多用电表的指针如图所示:
若选择开关指在“x10Ω”时,电阻是:______Ω,
如选择开关指在直流“5mA”档,电流是:______mA.
若选择开关指在直流“10V”档,电压是:______V.
5、简答题 一电子(电量为e,质量为m,不计重力)从静止开始经加速电压U1加速后,以水平速度射入水平放置的两平行金属板中间,如图所示,金属板长为L1,两板距离为d,竖直放置的荧光屏距金属板右端为L2.若在两金属板间加直流电压U2时,光点偏离中线与荧光屏交点O,打在荧光屏上的P点,求:
(1)电子从加速电场出来的速度
(2)电子从偏转电场出来的动能
(3)电子在荧光屏上偏转的距离
