时间:2017-08-05 17:40:39
1、选择题  下图所示电路中,当变阻器触头P从a向b滑动时,电路中理想电压表示数将变大的是(  )
A.
B.
C.
D.
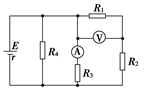
2、选择题  如图,电源内阻为r,电流表和电压表均为理想电表,下列判断正确的是(  )
A.若R1断路,两表的读数均变小
B.若R2断路,两表的读数均变小
C.若R3断路,电流表读数为0,电压表读数变大
D.若R4断路,两表的读数均变大
3、计算题  如图甲所示,在倾角 的绝缘斜面上,固定一宽
的绝缘斜面上,固定一宽 的平行金属导轨,在导轨上端接入电源和滑动变阻器R,电源电动势
的平行金属导轨,在导轨上端接入电源和滑动变阻器R,电源电动势 ,内阻
,内阻 ,一质量
,一质量 的金属棒ab与两导轨垂直并接触良好,整个装置处于磁感应强度B="0.80" T,垂直于斜面向上的匀强磁场中.金属导轨光滑,导轨与金属棒的电阻不计,取
的金属棒ab与两导轨垂直并接触良好,整个装置处于磁感应强度B="0.80" T,垂直于斜面向上的匀强磁场中.金属导轨光滑,导轨与金属棒的电阻不计,取 ,要保持金属棒在导轨上静止,求:
,要保持金属棒在导轨上静止,求:
小题1:金属棒所受到的安培力.
小题2:通过金属棒的电流.
小题3:滑动变阻器R接入电路中的阻值.
4、简答题  图中,两个电池的电动势都是60V,内阻都是2 ,
, =8
=8 ,
, =2
=2 ,
, 和
和 阻值未知,只接通
阻值未知,只接通 时,回路电流为6A;只接通
时,回路电流为6A;只接通 时,回路电流为5A,只接通
时,回路电流为5A,只接通 、
、 时的回路电流是多大?
时的回路电流是多大?
5、选择题  金属铂的电阻对温度的高低非常敏感,在下图所示的U-I图象中,可以表示出金属铂电阻的U-I图线的是(  )
A.
B.
C.
D.