时间:2022-12-15 06:22:03
1、实验题 在“描绘小灯泡的伏安特性曲线”的实验中,某同学测得电流一电压的数据如下表所示: 
(1)用上表数据描绘电压随电流的变化曲线;
(2)为了探究灯丝电阻与温度的关系,已作出电阻随电流的变化曲线如图所示;请指出图线的特征,并解释形成的原因。 
参考答案:(1)
(2)电阻随电流增大。存在三个区间,电阻随电流的变化快慢不同:第一区间电流很小时,电阻变化不大;第二区间灯丝温度升高快,电阻增大快;第三区间部分电能转化为光能,灯丝温度升高变慢,电阻增大也变慢
本题解析:
本题难度:一般
2、简答题 某物理小组准备探究某种元件Q(标有4V,2W字样)的伏安特性曲线,他们找来了下列器材:
A、电压表V1(0~5V,内阻约10kΩ)
B、电压表V2(0~10V,内阻约20kΩ)
C、电流表A(0~0.6A,内阻约0.4Ω)
D、滑动变阻器R1(5Ω,1A)
E、滑动变阻器R2(500Ω,0.2A)
(1)实验中电压表选用______,为使实验误差尽量减小,要求电压从零开始变化且多取几组数据,滑动变阻器应选用______(均填器材前的序号).
(2)请将图中的实物连线补充完整.
(3)检查实验电路连接正确,然后闭合开关,调节滑动变阻器滑片,发现电流表和电压表指针始终不发生偏转.在不断开电路的情况下,检查电路故障,应该使用多电表的______挡;检查过程中将多用电表的红、黑表笔与电流表“+”、“-”接线柱接触时,多用电表指针发生较大角度的偏转,说明电路故障是______.
参考答案:(1)灯泡两端的电压最大是4V,故电压表应选用A:V1,
由题意可知,电流电压是从零开始变化的,故应选用分压接法,故滑动变阻器应选用D:R1;
(2)由原理图可知,滑动变阻器采用了分压接法,即先将下面两个固定的接线柱接在电源两端;再将用电器的一端接在上面任意一个接线柱上,另一端接到下面任意一个接线柱上;同时电流表采用外接法,注意电表的正极流入;实物图如图;
(3)实验电路连接正确,闭合开关,调节滑动变阻器滑动头,发现电流表和电压表指针始终不发生偏转,说明电路存在断路.在不断开电路的情况下,应该使用多用电表直流电压挡检查电路故障;检查过程中将多用表的红、黑表笔与电流表“+”、“-”接线柱接触时,多用电表指针发生较大角度的偏转,说明电路故障是电流表断路.
故答案为:(1)A,D;(2)如图:(3)直流电压;电流表断路.
本题解析:
本题难度:一般
3、实验题 在“描绘小电珠的伏安特性曲线”的实验中备有下列器材:
A.小灯泡(3.8 V,1.5 W)
B.直流电源(电动势4.5 V,内阻约0.4 Ω)
C.电流表(量程0~500 mA,内阻约0.5 Ω)
D.电压表(量程0~5 V,内阻约5000 Ω)
E.滑动变阻器R1(0~5 Ω,额定电流2 A)
F.滑动变阻器R2(0~50 Ω,额定电流1 A)
G.开关一个,导线若干
如果既要满足测量要求,又要使测量误差较小,应选择如图所示的四个电路中的________,(3分)应选用的滑动变阻器是_______。(2分)
参考答案:丙 R1(或E)
本题解析:由于伏安特性曲线中的电压和电流均要从零开始测量,所以滑动变阻器应选用分压式,分压式接法适用于测量较大阻值电阻(与滑动变阻器的总电阻相比),由于
,选用
时滑片移动时,电压变化明显,便于调节.又小灯泡的电阻约
,
,所以安培表应该选用外接法.故应选用图丙所示电路由于电路中采用分压接法,故滑动变阻器应采用小电阻
;
本题难度:一般
4、实验题 图(甲)是一个多量程多用电表的简化电路图,测量电流、电压和电阻各有两个量程,当转换开关S旋到位置3时,可用来测量____(选填“电阻”、“电压”或“电流”);当S旋到位置____时,可用来测量电流,其中S旋到位置?时量程较大用多用电表测量小电珠(4.8V 1.4W)的电阻,应选择多用电表电阻挡的倍率?(选填“×1”、“×10”或“×100”);调零后,将表笔分别与小电珠的两端连接,示数如图(乙),则测量结果为?Ω
参考答案:电阻? 1、2? 1?×1? 12(或12.0)
本题解析:(1)测量电阻时欧姆表内部应接有电源,由图甲可知测电阻只有接3或4;当转换开关S旋到1和2时,测量电流,电流表表头所并联的电阻越大,所测量电流值越小,故当转换开关S旋到1的量程比旋到2的量程大.
(2)由
可求出小电珠正常工作时的电阻,当欧姆表指针指在刻度盘中央附近时,测量误差较小,应根据“×1”挡读出电阻,电阻值为R=12×1Ω=12Ω
本题难度:一般
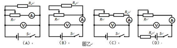
5、实验题 某同学利用图甲所示电路,探究了电源在不同负载下的输出功率。
小题1:所得实验数据如下表,请在给出的直角坐标系中画出
的图像。


小题2:根据所画的U-I图像,可求得电流I=0.20A时电源的输出功率约为??W(保留两位有效数字)。
小题3:(多选题)实验完成后,该同学对实验方案进行了反思,认为按图甲电路进行实验操作的过程中存在安全隐患,并对电路重新设计。在图乙所示的电路中(Rx阻值未知),你认为既能测出电源在不同负载下的输出功率,又能消除安全隐患的是
参考答案:
小题1:
小题2:0.37±0.05 ?
小题3:BC
本题解析:此题涉及实验测定电源的输出功率。小题1:根据表中数据描点,在连线时偏离比较大的第四个点舍弃不用。小题2:当电流为0.20A时,由图线可以看出电压大约为1.85左右,则功率大约为
左右。小题3:图甲的安全隐患是电阻可能为0,造成电路中电流过大。BC的电路图外电阻不会为零。A图电流所测电流不是总电流,D图所测电压不是总电压。所以答案选择BC。本题考查了电路图设计和数据处理,有一定综合性。
本题难度:简单