时间:2022-12-15 06:22:03
1、实验题 (8分)要用实验描绘小灯泡的伏安特性曲线,已知待测小灯泡的额定电压6V,额定功率约为3W,提供的器材有:
量程为0.6A,内阻约为0.5
的电流表Al;
量程为3A,内阻约为0.1
的电流表A2;
量程为3V,内阻为3k
的电压表V1
阻值是0~10
,额定电流是2A的滑动变阻器R1;
阻值是0~500
,颇定电流是lA的滑动变阻器R2;
定值电阻R3=1k
;
定值电阻R4=3k
;
电源电动势为9V,内阻约为0.1
;
开关一个,导线若干.
(1)为了保证实验的测量精度和操作方便,并能测出小灯泡的额定功率,在可供选择的器材中.应该选用的电流表是?,滑动变阻器是?(填仪器的字母代号).
(2)根据所选的器材,在虚线框中画出完整的实验电路图,并标出器材代号.
(3)实验中,电压表的示数为?V时,可测出灯泡的额定功率.
参考答案:(1)
?
?(2)电路图如下?(3)3
本题解析:(1)描绘小灯泡的伏安特性曲线,要求电压调节范围尽可能大,滑动变阻器选择分压式连接,因此滑动变阻器选择阻值小的
,小灯泡正常发光的额定电流
,3A的电流表量程过大,所以选择量程0.6A的
。
(2)滑动变阻器选择
分压式连接。灯泡额定电压外6v,而电压表量程只有3v,可是已知电压表内阻为
,确切知道其内阻,就可以串联定值电阻来扩大量程,要使得量程大于6v,则需要满足
,即串联的定值电阻阻值要大于等于
所以定值电阻选择
.电流表已经选择
,由于
,根据大内偏大小外偏小,电流表选择外接法。电路图见答案。
(3)灯泡正常发光时电压为6v,即
,解得电压表读数
。
本题难度:一般
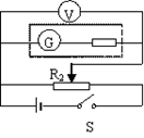
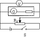
2、填空题 (1)图甲为某同学测绘额定电压为2.5V的小灯泡的I-U图线的实验电路图.
①根据电路图,用笔画线代替导线,将图(乙)中的实验电路连接成完整的实验电路.
②开关S闭合之前,图(乙)中滑动变阻器的滑片应该置于______(选填“A端”、“B端”或“AB正中间”).
(2)如图(丙)所示,用多用电表研究光敏电阻的阻值与光照强弱的关系.
①应将多用电表的选择开关置于______档;
②将红表笔插入______接线孔(填“+”或“-”);
③将一光敏电阻接在多用电表两表笔上,用光照射光敏电阻时表针的偏角为θ,现用手掌挡住部分光线,表针的偏角变为θ′,则可判断θ______θ′(填“<”,“=”或“>”);
④测试后应将选择开关置于______档.
参考答案:(1)①根据原理图连接实物图如下所示:
?
②为了安全和保护仪器不被烧坏,开关S闭合之前,应该移动滑片,使测量电路短路,即将片滑移动到A端.
(2)①测电阻应将选择开关置于欧姆挡;②红表笔插入正极接线孔,黑表笔插入负极接线孔;③光敏电阻无光照射时电阻大,电流小,指针偏角小,所以θ>θ′;④测试后应将选择开关置于 OFF档或交流高压挡.
故答案为:(1)①实物电路图如图所示;②A端;(2)①欧姆;?②“+”;③>;④OFF或交流电压最高.
本题解析:
本题难度:一般
3、实验题 (12分)某研究性学习小组为了制作一种传感器,需要用到某元件(电阻约为20
)。现需要描绘该元件的伏安特性曲线。实验室备有下列器材:
| 器材(代号) | 规格 |
| 电流表(A1) | 量程0~5mA,内阻约为50![]() |
| 电流表(A2) | 量程0~200mA,内阻约为10![]() |
| 电压表(V1) | 量程0~3V,内阻约为10k![]() |
| 电压表(V2) | 量程0~15V,内阻约为25k![]() |
| 滑动变阻器(R1) | 阻值范围0~10 ,允许最大电流1A |
| 滑动变阻器(R2) | 阻值范围0~1k ,允许最大电流100mA |
| 直流电源(E) | 输出电压4V,内阻不计 |
| 开关(S)及导线若干 | ? |

的电源上,则该元件消耗的功率为?W。(保留3位有效数字)
参考答案:①A2;V1;R1
②
③0.366W(0.336—0.396W)
本题解析:①由伏安特性曲线图可知,电流最大值为0.30A,故电流表应选用A2,灯泡两端的电压最大为2.5V,故电压表应选用V1;由曲线可知实验要求电流电压是从零开始变化的,故应选用分压接法,故滑动变阻器应选用R1,便于调节。
②滑动变阻器选用分压接法;待测元件内阻较小,故应选用电流表外接法,电路图见答案.
③由电源的电动势和内阻在元件伏安特性曲线图中作出电源的伏安特性曲线,则两图线的交点即为元件的工作点,可得元件的电压和电流,进而可知元件的功率为0.366W.
本题难度:一般
4、实验题 在“测定金属的电阻率”的实验中,用螺旋测微器测量金属丝直径时的刻度位置如图,用刻度尺测量金属丝的长度l=0.810m.金属丝的电阻大约为4?.
?
小题1:从图中读出金属丝的直径为_?_mm.
②在用伏安法测定金属丝的电阻时,除被测电阻丝外,还有如下供选择的实验器材:
A.直流电源:电动势约4.5V,内阻很小;
B.电流表A1:量程0~0.6A,内阻0.125?;
C.电流表A2:量程0~3.0A,内阻0.025?;
D.电压表V:量程0~3V,内阻3k?;
E.滑动变阻器R1:最大阻值10?;
F.滑动变阻器R2:最大阻值50?;
G.开关、导线等.
小题2:在可供选择的器材中,应该选用的电流表是_?_,应该选用的滑动变阻器是_?_.
小题3:根据所选的器材,在答案卷的方框中画出实验电路图.
小题4:若据伏安法测出电阻丝的电阻为Rx=4.1?,则这种金属 材料的电阻率为_?_
?·m.(保留二位有效数字)
参考答案:①_0.530_;②_B_; _F_;③画出实验电路图
④_11.2×10–6_ (画图4分,其余每空2分)
本题解析:小题1:从图中读出金属丝的直径为:固定尺+可动尺=0.5+0.022=0.522mm。
小题2:应选电流表A1,因为A2选量程较大.滑动变阻器应该起到限流作用,所以算滑动变阻器R2,
小题3:电阻丝阻值较小,电流表选用内接法,滑动变阻器限流式接法,实验电路图如下
小题4:根据电阻定律
,得到
本题难度:一般
5、实验题 如图所示测定表头内阻的电路,电源内阻不计,当电阻箱的电阻调到1200 Ω时,电流表指针偏转到满刻度;再把电阻箱的电阻调到3000 Ω时,电流表指针刚好指到满刻度的一半.
(1)根据上述数据可求出电流表的内阻为_?__Ω;
(2)若这个电流表的满刻度值是500μA,要把它改装成量程为3 V的电压表,应串联一个电阻值为___?_Ω的分压电阻;?
(3)为了核对改装成的电压表V,给你一个标准电压表V0,一个4.5 V的电池组E,一个最大阻值为1 kΩ的滑动变阻器R,开关S及若干导线.请画出符合要求的电路图。 
参考答案:(1)600Ω(2)5400Ω(3)
本题解析:(1)
;
联立可得
(2)
,解得
(3)电路图如图所示:
点评:做本题的关键是知道电压表改装需要串联一个电阻分压
本题难度:一般