时间:2020-08-15 23:37:30
1、实验题 测量一只量程已知的电压表内阻,器材如下:
A. 待测电压表
?(量程3V,内阻约3KΩ)
B.电流表
?(量程0.6A,内阻0.01Ω)
C. 定值电阻R(阻值2KΩ,额定电流0.5A)
D.电源E(电动势约3V,内阻不计)
E.开关两只,S1、S2,导线若干
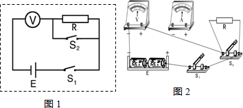
(1)某同学设计了如图 (甲)所示的测量电路,在实验操作时,发现不可行。你认为主要问题是?。
(2)请从上述所给器材中选用所需器材,帮助该同学设计一个能尽量减小实验误差的测量电路,并在虚线框内画出原理图,要求标明给定器材的符号。用需要测量的物理量和电路中器材已给的物理量,写出电压表内阻的计算式Rv=?。并从图中所给的器材中选出你所需要的器材,连接成实验电路图。
?
参考答案:(1)不可行理由:电流表量程太大,而电路中电流太小,电流表没有明显读数。(2分)
(2) 电路图(3分)?连线(3分)

本题解析:
分析:(1)由图甲可知,电压表与电流表串连接入电路,根据电源电动势及电表内阻,
由闭合电路的欧姆定律求出电路电流,然后根据根据该电流分析答题.
(2)为了减小实验误差,可以把电压表与定值电阻串连接入电路,
用开关控制定值电阻是否接入电路,然后由串联电路特点及欧姆定律求出电压表内阻.
解:(1)图甲所示电路中,电路最大电流I=
=
≈0.001A,电路电流太小,电流表量程是0~0.6A,电流表量程太大,电流表指针偏转不明显,电流表没有明显读数,因此图甲所示电路不可行.
(2)电压表与定值电阻串联,开关S2与定值电阻并联,实验电路图如图1所示;
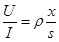
根据实验电路图连接实物电路图,实物电路图如图2所示;
闭合开关S1、S2读出电压表示数U1,电源电动势E=U1,
然后断开开关S2,读出电压表示数U2,定值电阻两端电压:
UR=E-U2=U1-U2,此时电路电流I=
=
,
电压表内阻RV=
=
=
;
故答案为:(1)电流表量程太大,而电路中电流太小,电流表没有明显读数.
(2)实验电路图如图1所示,实物电路图如图2所示;
.
本题难度:简单
2、实验题 (每空3分,共计12分)为测定某电源的电动势E和内阻r以及一段电阻丝的电阻率ρ,设计了如图(a)所示的电路.ab是一段电阻率较大的粗细均匀的电阻丝,R0是阻值为2Ω的保护电阻,滑动片P与电阻丝接触良好.
(1)实验中用螺旋测微器测得电阻丝的直径如图(b)所示,其示数为d=?mm.
(2)实验时闭合开关,调节P的位置,记录aP长度x和对应的电压U、电流I等相关数据,如下表:
请根据表中数据在图(c)上作U-I关系图线,根据图象求电源的内阻r=?Ω.
(3)图(d)是根据表中数据作出的U/I-x关系图象,由图象求出电阻丝的电阻率ρ为?Ω·m(保留两位有效数字).
参考答案:(1)0.400(2)1.2
(3)
本题解析:(1)螺旋测微器读数方法:测量长度=固定刻度示数+可动刻度示数×精确度(注意单位为毫米).所以读数为0.400mm
(2)①U-I图象与纵轴的截距为电源的电动势,由图可得E=3.0V;图线斜率为电源的内电阻与
串联的总电阻,由图可得
②关系图线如图
③由电阻定律有
,
,由图可得
串联组成的电路)的内电阻,对
图像要理解其斜率与截距的物理意义。
本题难度:一般
3、实验题 为了测量一个量程为3V的电压表的内阻RV(约几千欧),可以采用如图所示的电路,
⑴可供选择的实验步骤有:
A.闭合S
B.断开S
C.将电阻箱R0的电阻调到零
D.调节电阻箱R0的电阻,使电压表的指针示数为1.5V,记下此时电阻箱R0的阻值
E、调节变阻器R的滑片P,使电压表的指针示数为3V
F、将变阻器R的滑片P调节到a端
G、将变阻器R的滑片P调节到b端
把必要的实验步骤字母代号按合理的顺序排列在下面的横线上?;
⑵若上述步骤D中读出0的阻值为2400Ω,则电压表的内阻RV=?Ω。用这种方法测出的电压表的内阻RV与真实相比较偏?(填“大”或“小”)。
参考答案:(1)GCAEDB;(2)2400,大.
本题解析:(1)据实验规程进行排序:GCAEDB;
(2)因是串联关系,则电阻与电压成正比:电压表示数为1.5V,则电阻箱R0分压为1.5V.
则RV=R0,即 Rv=R0=2400Ω因该支路实际电压要比原电压变大,即R0的分压要大一些,故Rv的实际值要小一些,即测量值比真实值大.
本题难度:一般
4、填空题 从下列实验器材中选出适当的器材,设计实验电路来测量两个电压表的内阻,要求方法简捷,操作方便,可进行多次测量并有尽可能高的测量精度.
A.待测电压表V1,量程0~3V,内电阻约20kΩ~40kΩ
B.待测电压表V2,量程0~6V,内电阻约40kΩ~80kΩ
C.电阻箱R1,阻值范围0~99999.9Ω
D.电阻箱R2,阻值范围0~99.99Ω
E.滑动变阻器R3,阻值范围0~250Ω,额定电流2.5A
F.滑动变阻器R4,阻值0~20Ω,额定电流2A
G.电池组,电动势为6V,内电阻为0.5Ω
H.单刀开关若干和导线若干
(1)请设计一个测量电路,并在下面的方框中画出电路图.
(2)实验器材选择除A、B、G、H外,电阻箱应选用:______,滑动变阻器应选用:______(用器材前的字母表示).
(3)写出需要测量的物理量;给出RV1和RV2的表达式.(不要求写出推导过程)
参考答案:(1)先把滑动变阻器的最大阻值和电源、开关串联组成电路,再把电压表V1、V2串联后接到滑动变阻器的滑片P串联,电路如下图
(2)由于电压表内阻很大,变阻箱选用总阻值较大的一个选C,本着便于操作的原则,滑动变阻器选F
(3)断开开关S2,读出两只电压表的示数U1、U2,由电路知识得:U1U2=RV1RV2
闭合开关S2后,读出两只电压表的示数 U′1、U′2,电阻箱的示数为R,由电路知识得:U′1U′2=R?V1RRV2R+RV2
由上述两式解得:RV1=U2U′1-U1U′2U2U′2R,R?V2=U2U′1-U1U′2U1U′2R
故答案为:(1)
(2)C、F(3)RV1=U2U′1-U1U′2U2U′2R,R?V2=U2U′1-U1U′2U1U′2R
本题解析:
本题难度:一般
5、实验题 在探究小灯泡的的伏安法测电阻实验中,有如图所用器材,要求灯泡两端电压从0开始变化
小题1:用笔画代替导线,将电路图连接完整
小题2:开关闭合前要将滑片置于?端(a或b)
小题3:分别测得两只灯泡l1和l2的伏安特性曲线如图中Ⅰ和Ⅱ所示,然后将灯泡l1、l2与电池组(电动势和内阻均恒定)连成所示电路。多次测量后得到通过l1和l2的电流平均值分别为0.30A和0.60A。可知电池组的电动势为_____V,内阻为_____Ω(取两位有效数字)

参考答案:
小题1:
小题2:? a?
小题3:? 4。2~4.4?、? 2。5~2.7
本题解析:
解:(1)电路图连接如下所示,
(2)开关闭合前要将滑片置于a端,因为滑动变阻器在电路中起到保护电路和调节小灯泡两端电压的作用。
(3)根据两只灯泡
和
的伏安特性曲线可知,
对于小灯泡
:
①,
对于小灯泡
:
②,
由①②两式得
电源内阻
,
电源电动势
;
本题难度:一般