时间:2019-12-13 01:25:11
1、填空题 如图所示,闭合导线框的质量可以忽略不计,将它从图示位置匀速拉出匀强磁场.若第一次用0.2 s时间拉出,外力做的功为W1,通过导线截面的电荷量为q1;第二次用0.6 s时间拉出,外力所做的功为W2,通过导线截面的电荷量为q2,则W1??W2, q1 ??q2 。(两空均选填“>” “<” “=”)。
2、简答题 如图所示固定在匀强磁场中的正方形线框abcd,各边长为L,其中ab段是一段电阻为R的均匀电阻丝,其余三边均为电阻可忽略的铜线,磁场的磁感应强度为B,方向垂直纸面向里,现有一与ab段的材料、粗细、长度都相同的电阻丝PQ架在导线框上,以恒定的速度v从ad滑向bc,当PQ滑到何处时,通过PQ的电流最小?为多少?方向如何?
3、选择题 一直升飞机停在南半球的地磁极上空。该处地磁场的方向竖直向上,磁感应强度为B。直升飞机螺旋桨叶片的长度为l,螺旋桨转动的频率为f,顺着地磁场的方向看螺旋桨,螺旋桨按顺时针方向转动。螺旋桨叶片的近轴端为a,远轴端为b,如图所示。如果忽略a到转轴中心线的距离,用ε表示每个叶片中的感应电动势,则
A.ε=πfl2B,且a点电势低于b点电势
B.ε=2πfl2B,且a点电势低于b点电势
C.ε=πfl2B,且a点电势高于b点电势
D.ε=2πfl2B,且a点电势高于b点电势
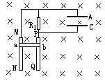
4、简答题 如图所示,MN和PQ是竖直放置相距1m为的滑平行金属导轨(导轨足够长,电阻不计),其上方连有
=9Ω的电阻和两块水平放置相距d=20cm的平行金属板A.C,金属板长1m,将整个装置放置在图示的匀强磁场区域,磁感强度B=1T,现使电阻
=1Ω的金属棒ab与导轨MN、PQ接触,并由静止释放,当其下落h=10m时恰能匀速运动(运动中ab棒始终保持水平状态,且与导轨接触良好).此时,将一质量
=0.45g,带电量q=1.0×
的微粒放置在A.C金属板的正中央,恰好静止.g=10m/
).求:
(1)微粒带何种电荷?ab棒的质量
是多少?
(2)金属棒自静止释放到刚好匀速运动的过程中,电路中释放多少热量?
(3)若使微粒突然获得竖直向下的初速度
,但运动过程中不能碰到金属板,对初速度
有何要求?该微粒发生大小为
的位移时,需多长时间?
?
5、选择题 竖直平面内有一金属圆环,半径为a,总电阻为R,磁感应强度为B的匀强磁场垂直穿过整个竖直平面,在环的最高点A用铰链连接的长度为2a、电阻为R/2的导体棒AB由水平位置紧贴环面摆下,如图所示.当摆到竖直位置时,B点的速度为v,则这时AB两端电压的大小为
[? ]
A.2Bav?
B.Bav
C.
Bav?
D.
Bav