时间:2019-07-11 04:29:50
1、实验题 (1)如图所示为某同学用游标卡尺测量一均匀圆柱体长度,由图可知其长度为 mm;
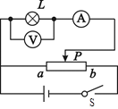
(2)为了描绘该小灯泡L的伏安特性曲线,实验室可提供选择的器材及代号如下:
A.小灯泡L(3.0V,1.8 W);
B.滑动变阻器R(0~10Ω,额定电流1.5A);
C.电压表V1(量程:0~3 V,RV约为5 kΩ);
D.电压表V2(量程:0~15 V,RV约为10 kΩ);
E.电流表A1(量程:0~0.6 A,RA约为0.5Ω);
F.电流表A2(量程:0~3 A,RA约为0.1Ω);
G.蓄电池组(电动势约为4V)、电键各一个,导线若干;
①请你用笔线代替导线将右上图所示的实验电路图补充完整;
②实验中应选电压表 ,电流表 。(请填写器材前面的字母序号)
参考答案:(1)1.30 (2)①分压式连接(如图) ②C E
本题解析:(1)20分度的游标卡尺的精确度为0.05mm,主尺读数为1mm,游标第6条刻线对的最齐,由游标卡尺的读数规则可读出1.30mm;(2)①由于需要描绘小灯泡L的伏安特性曲线,电压需要从零连续可调,故电路选择分压式,电路图如图所示;
②小灯泡的额定电压为3V,故电压表选择V1,小灯泡的额定电流
,故电流表选项A1。
考点:游标卡尺的读数 描绘小灯泡的伏安特性曲线
本题难度:一般
2、实验题 (10分)用电流表、电压表、滑动变阻器“测电池的电动势和内阻”的实验时,如果采用一节新干电池进行实验,实验时会发现,当滑动变阻器在阻值较大的范围内调节时,电压表读数变化很小,从而影响测量值的精确性。可以利用一定值电阻,对实验进行改良。某次实验中,除一节新干电池、电压表、电流表和开关外,还有
定值电阻R0(1.8
)
滑动变阻器R 1(0~10
)
滑动变阻器R 2(0~200
)
(1)请你画出应采用的实验电路原理图。
(2)为方便实验调节较准确地进行测量,滑动变阻器应选用_______(填“R 1”或“R 2”)。
(3)实验中改变滑动变阻器的阻值,测出几组电流表和电压表的读数如下表
| I/A | 0.15 | 0.20 | 0.25 | 0.30 | 0.40 | 0.50 |
| U/N | 1.20 | 1.10 | 1.00 | 0.90 | 0.70 | 0.50 |
。
参考答案:(1)如图1见解析 (2)R1 (3)如图2见解析 (4)1.5 0.2
本题解析:(1)当滑动变阻器在阻值较大的范围内调节时,电压表读数变化很小,是因为新电池内阻较小,故应把定值电阻串联在干路中,所以电路图如图1所示;(2)滑动变阻器串联在电路中,为调节的方便,故应选择R1;(3)描点画图如图2所示;(4)根据
,图线与纵轴的截距为电压电动势为E=1.5V,图线斜率为内阻r=0.2

考点:本题考查测电源的电动势和内阻
本题难度:一般
3、实验题 某同学从实验室找到一个电池(如图甲所示),为了测定该电池的电动势和内电阻,实验室中提供有下列器材:
A电流表G(
参考答案:
本题解析:
本题难度:一般
4、选择题 使用中值电阻(刻度中央的电阻值)为20Ω(×l挡)的多用电表测量两个定值电阻(阻值约为R1=20Ω和R2=30kΩ)。在下列一系列操作中,选出尽可能准确地测定各阻值,并符合多用电表使用规则的各项操作,按合理的顺序填写在横线的空白处:
A.转动选择开关置于“×1k” 挡
B.转动选择开关置于“×100”挡
C.转动选择开关置于“×10”挡
D.转动选择开关置于“×1”挡
E.转动选择开关置于“OFF”挡
F.将两表笔分别接触R1两端,读出Rl的阻值后随即断开
G.将两表笔分别接触R2两端,读出R2的阻值后随即断开
H.将两表笔短接,调节调零旋钮,使指针指在刻度线右端的“O”刻度
所选操作的合理顺序是_________ _____.
参考答案:AHGDHFE 或 DHFAHGE
本题解析:利用欧姆表测电阻的方法:根据待测电阻的大体阻值,选择合适的倍率,使指针指在大约中央附近,每次选档后都要重新进行欧姆调零,测量完毕,将选择开关置于OFF挡.
故合理顺序为:DHFAHGE,或者从最高档开始,即AHGDHFE
考点:考查了多用电表的使用
本题难度:一般
5、实验题 (10分)某实验小组测定水果电池的电动势和内阻,所用的器材有:
水果电池E:电动势约为1V;
电流表A:量程10mA,内阻约为几欧;
电压表V:量程1V,内阻RV=3kΩ;
滑动变阻器Rp:最大阻值200Ω;
电阻箱R:最大阻值9999Ω;
开关S,导线若干。
(1)该实验小组设计了如图1所示的电路,实验中无论怎样移动滑动变阻器的滑片,发现电流表的示数及变化均很小,且电压表的示数变化很小,分析其原因是 。
(2)该实验小组经过分析设计了如图2所示的电路,实验步骤如下:
第一步:闭合开关S,多次调节电阻箱,记下电压表的示数U和电阻箱相应的阻值R,并计算出对应的与的值。
第二步:以
为纵坐标,
为横坐标,作出 -图线(用直线拟合)。
第三步:求出直线的斜率k和在纵轴上的截距b。
请回答下列问题:
参考答案:
本题解析:
本题难度:一般