时间:2019-07-11 04:04:31
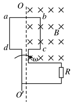
1、选择题 如图所示,边长为L的正方形线圈abcd,其匝数为n,总电阻为r,外电路的电阻为R,ab的中点和cd的中点的连线OO′恰好位于匀强磁场的边界线上,磁场的磁感应强度为B.若线圈从图示位置开始,以角速度ω绕OO′轴匀速转动,则以下判断中正确的是
A.闭合电路中感应电动势的瞬时值表达式e=nBL2ωsinωt
B.在t=
时刻,磁场穿过线圈的磁通量为零,此时磁通量随时间变化最快
C.从t=0时刻到t=
时刻,电阻R上产生的热量为Q=n2B2L4πωR/16(R+r)2
D.从t=0时刻到t=
时刻,通过R的电荷量q=BL2/2R
参考答案:BC
本题解析:闭合电路中感应电动势的瞬时表达式e=Emsinωt,而Em=nBSω,所以e=
nBL2ωsinωt.故A错误;在t=
时刻,穿过线圈的磁通量为零,但线框的切割速度最大,因此产生的电动势也最大,所以磁通量随时间变化最快,故选项B正确;电阻R上电压的最大值为
,有效值为
,所以电阻R上产生的热量为
,故选项C正确;通过R的电量
,故选项D错误。
本题难度:一般
2、简答题 如图所示,相距为L的两条足够长光滑平行金属导轨固定在水平面上,导轨由两种材料组成.PG右侧部分单位长度电阻为r0,且PQ=QH=GH=L.PG左侧导轨与导体棒电阻均不计.整个导轨处于匀强磁场中,磁场方向垂直于导轨平面向下,磁感应强度为B.质量为m的导体棒AC在恒力F作用下从静止开始运动,在到达PG之前导体棒AC已经匀速.
(1)求当导体棒匀速运动时回路中的电流;
(2)若导体棒运动到PQ中点时速度大小为v1,试计算此时导体棒加速度;
(3)若导体棒初始位置与PG相距为d,运动到QH位置时速度大小为v2,试计算整个过程回路中产生的焦耳热.
参考答案:(1)导体棒匀速运动时拉力与安培力平衡,根据平衡条件得:F=BIL,
得:I=FBL
(2)导体棒运动到PQ中点时速度大小为v1,产生的感应电动势为:E=BLv1
闭合回路中总电阻为:R=2Lr0
感应电流为:I=ER
导体棒AC所受安培力大小为:FA=BIL
联立得:FA=B2L2v12Lr0=B2Lv12r0
根据牛顿第二定律得:F-B2Lv12r0=ma
则得:a=Fm-B2Lv12mr0
(3)根据能量守恒定律得:Q=F(d+L)-12mv22
答:(1)当导体棒匀速运动时回路中的电流为FBL;
(2)计算此时导体棒加速度为Fm-B2Lv12mr0;
(3)整个过程回路中产生的焦耳热为F(d+L)-12mv22.
本题解析:
本题难度:一般
3、计算题 如图所示,一对平行光滑轨道放置在水平面上,两轨道间距L=0.20m,电阻R=10Ω,有一质量为m=1kg的金属棒平放在轨道上,与两轨道垂直,金属棒及轨道的电阻皆可忽略不计,整个装置处于垂直轨道平面向下的匀强磁场中,磁感应强度B=5T,现用一外力F沿轨道方向拉金属棒,使之做匀加速运动,加速度a=1m/s2,试求:
(1)力F与时间t的关系。
(2)F=3N时,电路消耗的电功率P。
(3)若外力F的最大值为5N,为求金属棒运动所能达到的最大速度,某同学解法为:先由(1)中的结果求出F=5N时的时间t,然后代入求解。指出该同学解法的错误之处,并用正确的方法解出结果。 
参考答案:解:(1)由F-
=ma,
得:F=0.1t+1
(2)F=3N时,t=20s,v=at=20 m/s
电功率P=(F拉-ma)v=40W
(3)错误之处:F刚达到最大值时,速度并未达到最大值,金属棒做加速度逐渐减小的变加速运动,直到加速度为0时,速度达到最大
正确解法:由F-
=ma=0得:
本题解析:
本题难度:一般
4、选择题 关于磁感线,以下说法中正确的是
A.磁感线上各点的切线方向就是该点的磁感应强度方向
B.磁感线是磁场中真实存在的曲线
C.磁感线总是从磁体的N极发出终止于磁体的S极
D.沿着磁感线方向,磁场越来越弱
参考答案:A
本题解析:磁感线是人们假象出来的,不是真实存在的,磁体外部磁感线方向有N指向S,内部由S指向N,磁感线的密度可以表示磁场强弱,磁感线上各点的切向方向就是该点的磁感应强度方向,A正确。
本题难度:困难
5、计算题 如图甲所示,水平面上的两光滑金属导轨平行固定放置,间距d=0.5 m,电阻不计,左端通过导线与阻值R =2 W的电阻连接,右端通过导线与阻值RL =4 W的小灯泡L连接.在CDEF矩形区域内有竖直向上的匀强磁场,CE长l ="2" m,有一阻值r ="2" W的金属棒PQ放置在靠近磁场边界CD处(恰好不在磁场中).CDEF区域内磁场的磁感应强度B随时间变化如图乙所示.在t=0至t=4s内,金属棒PQ保持静止,在t=4s时使金属棒PQ以某一速度进入磁场区域并保持匀速运动.已知从t=0开始到金属棒运动到磁场边界EF处的整个过程中,小灯泡的亮度没有发生变化,求:
(1)通过小灯泡的电流.
(2)金属棒PQ在磁场区域中运动的速度大小.
参考答案:(1)0.1A(2) 1m/s
本题解析:(1)在t=0至t=4s内,金属棒PQ保持静止,磁场变化导致电路中产生感应电动势.
电路为r与R并联,再与RL串联,电路的总电阻
=5Ω?①?
此时感应电动势
=0.5×2×0.5V=0.5V?②?
通过小灯泡的电流为:
=0.1A?③?
(2)当棒在磁场区域中运动时,由导体棒切割磁感线产生电动势,电路为R与RL并联,再与r串联,此时电路的总电阻
=2+
Ω=
Ω?④?
由于灯泡中电流不变,所以灯泡的电流IL=0.1A,则流过棒的电流为
=0.3A?⑤?
电动势
?⑥?
解得棒PQ在磁场区域中运动的速度大小
v=1m/s?⑦
本题难度:一般