时间:2019-07-11 03:25:06
1、计算题 如图所示,离子源A产生的初速度为零、带电荷量均为e、质量不同的正离子被电压为U0的加速度电场加速后匀速通过准直管,垂直射入匀强偏转电场,偏转后通过极板HM上的小孔S离开电场,经过一段匀速直线运动,垂直于边界MN进入磁感应强度为B的匀强磁场。已知HO=d,HS=2d,∠MNQ=90°。(忽略离子所受重力)
(1)求偏转电场场强E0的大小以及HM与MN的夹角Φ;
(2)求质量为m的离子在磁场中做圆周运动的半径;
(3)若质量为4m的离子垂直打在NQ的中点S1处,质量为16 m的离子打在S2处,求S1和S2之间的距离以及能打在NQ上的正离子的质量范围。
2、选择题 如图所示,一束负离子从S点沿水平方向射出,在没有电、磁场时恰好击中荧光屏上的坐标原点O;若同时加上电场和磁场后,负离子束最后打在荧光屏上坐标系的第Ⅲ象限中,则所加电场E和磁场B的方向可能是(不计离子重力及其间相互作用力)( )
A.E向上,B向上
B.E向下,B向下
C.E向上,B向下
D.E向下,B向上
3、计算题 如图,直角坐标系在一真空区域里,y轴的左方有一匀强电场,场强方向跟y轴负方向成θ=30°角,y轴右方有一垂直于坐标系平面的匀强磁场,在x轴上的A点有一质子发射器,它向x轴的正方向发射速度大小为v=2.0×106m/s的质子,质子经磁场在y轴的P点射出磁场,射出方向恰垂直于电场的方向,质子在电场中经过一段时间,运动到x轴的Q点。已知A点与原点O的距离为10cm,Q点与原点O的距离为(20
-10)cm,质子的比荷为
。求:
(1)磁感应强度的大小和方向;
(2)质子在磁场中运动的时间;
(3)电场强度的大小。
4、选择题 下图为一“滤速器”装置的示意图a、b为水平放置的平行金属板,一束具有各种不同速率的电子沿水平方向经小孔O进入a、b两板之间为了选取具有某种特定速率的电子,可在a、b间加上电压,并沿垂直于纸面的方向加一匀强磁场,使所选电子仍能够沿水平直线OO"运动,由O"射出不计重力作用可能达到上述目的的办法是 
[? ]
A.使a板电势高于b板,磁场方向垂直纸面向里
B.使a板电势低于b板,磁场方向垂直纸面向里
C.使a板电势高于b板,磁场方向垂直纸面向外
D.使a板电势低于b板,磁场方向垂直纸面向外
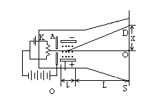
5、简答题 下面是一个电子射线管,由热阴极K发出的电子被阳极A与阴极K间的电场加速,从阳极A上的小孔穿出的电子束经过平行板电容器射向荧光屏.设A、K间的电势差为U,电子自阴极发出时的初速度可不计,电容器两板间除有电场外,还有一匀强磁场,磁感强度大小为B,方向垂直纸面向外,极板宽为 l ,如图所示:
问:1)电容器两板间的电场强度为多大时,电子束不发生偏转,直射到荧光屏S上的O点.
2)去掉两极板间的电场,电子束仅在磁场作用下向上偏转,射在荧屏S上的D点,求D点到O点的距离x.