时间:2019-07-03 00:11:42
1、选择题 图中P为放在匀强电场中的天放射源,其可以放出三种射线,其中α射线(氦核)带正电,β射线(电子)带负电,γ射线(电磁波)不带电,其放出的射线在电场的作用下分成a,b,c三束,以下判断正确的是( ? )
A.a为α射线,b为β射线
B.a为β射线,b为γ射线
C.b为γ射线,c为α射线
D.b为α射线,c为γ射线
参考答案:D
本题解析:
本题难度:一般
2、选择题 一带正电小球从光滑绝缘的斜面上由O点静止释放,在斜面上水平虚线ab和cd之间有水平向右的匀强电场如图所示.下面哪个图象能正确表示小球的运动轨迹( )
A.
B.
C.
D.

参考答案:D
本题解析:
本题难度:简单
3、填空题 某同学在进行扩大电流表量程的实验时,需要知道电流表的满偏电流和内阻.他设计了一个用标准电流表G1来校对待测电流表G2的满偏电流和测定G2内阻的电路,如图所示.已知G1的量程略大于G2的量程,图中R1为滑动变阻器,R2为电阻箱.该同学顺利完成了这个实验.
①实验过程包含以下步骤,其合理的顺序依次为______(填步骤的字母代号);
A.合上开关S2
B.分别将R1和R2的阻值调至最大
C.记下R2的最终读数
D.反复调节R1和R2的阻值,使G1的示数仍为I1,使G2的指针偏转到满刻度的一半,此时R2的最终读数为r
E.合上开关S1
F.调节R1使G2的指针偏转到满刻度,此时G1的示数为I1,记下此时G1的示数
②仅从实验设计原理上看,用上述方法得到的G2内阻的测量值与真实值相比______(填“偏大”、“偏小”或“相等”);
③若要将G2的量程扩大为I,并结合前述实验过程中测量的结果,写出须在G2上并联的分流电阻RS的表达式,RS=______.
参考答案:①先把各电阻调到最大值,再把标准电流表单独较准与电表串联得到最大电流值,再用半偏法测其内阻,由此得顺序为BEFADC.
②电流达到半偏时,两并联电阻相等.
③扩大量程要并联电阻分流,并联的电阻为:R=UgI-Ig=I1rI-i1
故答案为:①BEFADC ②相等 ③I1rI-i1
本题解析:
本题难度:一般
4、计算题 如图所示,两块平行金属板竖直放置,两板间的电势差U =1.5×103 V(仅在两板间有电场),现将一质量m = 1×10-2 kg、电荷量q = 4×10-5 C的带电小球从两板的左上方距两板上端的高度h = 20cm的地方以初速度v0 = 4m/s水平抛出,小球恰好从左板的上边缘进入电场,在两板间沿直线运动,从右板的下边缘飞出电场,求:
(1)金属板的长度L。
(2)小球飞出电场时的动能Ek。 
参考答案:解:(1)小球到达左板上边缘时的竖直分速度:
? 设小球此时速度方向与竖直方向之间的夹角为θ,则:
? 小球在电场中沿直线运动,所受合力方向与运动方向相同,设板间距为d
? 则:
? L =
? 解得:
(2)进入电场前:mgh = 
? 电场中运动过程:
? 解得:Ek = 0.175J?
[也可由
求解]
本题解析:
本题难度:困难
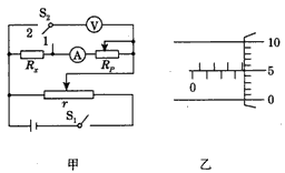
5、实验题 利用如图甲所示的电路测定金属电阻率,在测量时需要用刻度尺测出被测金属丝的长度l,用螺旋测微器测出金属丝的直径d,用电流表和电压表测出金属丝的电阻Rx。
(1)请读出乙图中螺旋测微器的读数___________m。
(2)写出测金属丝电阻率的表达式:ρ=___________。(用字母L、d、Rx表示)
(3)利用该电路进行实验的主要操作过程是:
第一步:闭合开关S1,将开关S2接2,调节滑动变阻器RP和r,使电压表读数尽量接近满量程,读出这时电压表和电流表的示数U1、I1;
请你接着写出第二步,并说明需要记录的数据:______________________。
由以上记录的数据计算出被测电阻Rx的表达式为Rx=___________。
参考答案:(1)3.550×10-3
(2)
(3)将开关S2接1,只调节滑动变阻器r,使电压表读数尽量接近满量程,读出这时电压表和电流表的示数U2、I2;U1/I1-U2/I2
本题解析:
本题难度:一般