时间:2019-06-29 05:34:56
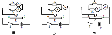
1、实验题 用以下器材测量待测电阻RX的阻值
A、待测电阻RX:阻值约为200Ω
B、电源E:电动势约为3.0V,内阻可忽略不计
C、电流表A1:量程为0~10mA,内电阻r1=20Ω;
D、电流表A2:量程为0~20mA,内电阻约为r2≈8Ω;
E、定值电阻R0:阻值R0=80Ω;
F、滑动变阻器R1:最大阻值为10Ω;
G、滑动变阻器R2:最大阻值为200Ω;
H、单刀单掷开关S,导线若干;
(1)为了测量电阻RX,现有甲、乙、丙三位同学设计了以下的实验电路图,你认为正确的是_____________;(填“甲”、“乙”或“丙”) 
(2)滑动变阻器应该选_______;在闭合开关前,滑动变阻器的滑片P应置于___________端;(填“a”或“b”)
(3)若某次测量中电流表A1的示数为I1,电流表A2的示数为I2。则RX的表达式为:RX=__________。
2、选择题 如图所示为伏安法测电阻的一种常用电路。以下分析正确的是( ? )

3、选择题 如图所示,将一光敏电阻接入多用电表两表笔上,将多用电表的选择开关置于欧姆挡,测光敏电阻时,表针的偏角(自左向右)为θ;现用手掌挡住部分光线,表针的偏角为θ′,则可判断( )
A.θ′=θ
B.θ′<θ
C.θ′>θ
D.不能确定
4、实验题 (1) 如图所示是根据某次实验记录的数据画出的U—I图线,则电源内阻是?
(2)一个实验小组在“探究弹力和弹簧伸长的关系”的实验中,使用两条不同的轻质弹簧
和
,得到弹力与弹簧长度的图像如图所示。下列表述正确的是___________。
A.
的原长比
的短;
B.
的劲度系数比
的大;
C.
的劲度系数比
的小;
D.测得的弹力与弹簧的长度成正比;
(3).某一电阻值不变的纯电阻元件(阻值Rx在50Ω-100Ω),额定功率为0.25W.要用伏安法较准确地测量它的阻值,实验器材有:
电流表A1:量程为100mA,内阻约为5Ω
电流表A2:量程为1 A,内阻约为0.5Ω
电压表V1:量程为6V,内阻约为10kΩ
电压表V2:量程为30V,内阻约为50kΩ
滑动变阻器R: 0~10Ω ,2A
电源(E=9V),开关,导线若干
①.实验中应选用的电流表为?,电压表为?;(填入器材符号)
②.在虚线框内画出实验电路图;
③.测出的电阻值与真实值相比?(填“偏大”、“偏小”或“相等”).
5、选择题 为了测定小灯泡的伏安特性曲线,需要测得的电压范围尽可能大些,误差小些,为此,下列电路合适的是( ?)