时间:2019-06-29 05:34:56
1、计算题 (8分)(1)画出欧姆表电路原理图,并标出红,黑表笔的位置。
(2)证明欧姆表的刻度是不均匀的。
参考答案:见解析
本题解析:第(1)小题共3分,其中红,黑表笔标注出得1分。
第(2)小题共5分。短接时,r内 =" E" / Ig? (2分)
被测电阻Rx =" E/I" - r内?(2分)
所以Rx?与I为非线性关系,故欧姆表刻度是不均匀的。?(1分)
点评:本题难度较小,主要是通过闭合电路欧姆定律的规律分析万用表的工作原理,由于电流与电路中总电阻成反比,而总电阻为待测电阻与内电阻之和,所以电流与外电阻为非线性关系
本题难度:简单
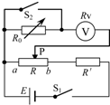
2、填空题 利用如图所示电路测量一量程为300mV的电压表的内阻RV,RV约为300Ω.
实验步骤如下:
①按电路图正确连接好电路,把滑动变阻器R的滑片P滑到a端,闭合开关S2,并将电阻箱R0的阻值调到较大;
②闭合开关S1,调节滑动变阻器滑片的位置,使电压表的指针指到满刻度;
③保持开关S1闭合和滑动变阻器滑片P的位置不变,断开开关S2,调整电阻箱R0的阻值大小,使电压表的指针指到满刻度的一半;读出此时电阻箱R0的阻值,即为电压表内阻RV的测量值.实验所提供的器材除待测电压表、电阻箱(最大阻值999.9Ω)、电池(电动势约1.5V,内阻可忽略不计)、导线和开关之外,还有如下可供选择的实
A.滑动变阻器(最大阻值150Ω);
B.滑动变阻器(最大阻值10Ω);
C.定值电阻(阻值约20Ω);
D.定值电阻(阻值约200Ω).
根据以上设计的实验方法,回答下列问题:
(1)对于上述测量方法,从实验原理分析可知,在测量无误的情况下,实际测出的电压
表内阻的测量值R测______真实值RV(填“大于”、“小于”或“等于”)
(2)为了使测量比较精确,从可供选择的实验器材中,滑动变阻器R应选用______,定值电阻R"应选用______(填字母代号).
(3)在其它元件不变的情况下,为使测量更准确,可换用一电动势更______的电池(内阻可忽略)(填“大”或“小”)
参考答案:(1)从实验原理分析可知,当再闭合开关S2,调整电阻箱R0的阻值,从而使得滑动变阻器两端电压变大,即使电压表示数为一半,而电阻箱R0的电压偏大,导致所测电阻也偏大,所以测量电阻大于真实电阻;
(2)该实验中,滑动变阻器采用了分压接法,因此要选择总阻值较小的,即选择B,定值电阻R"的阻值不能过大,否则R"分得的电压偏大,影响实验的准确性,故选C;
(3)为使测量更准确,可换用一电动势更大的电池;
故答案为:(1)大于;?(2)B;C;? (3)大
本题解析:
本题难度:简单
3、选择题 如图所示的伏安法测电阻电路中,电压表的内阻为3kΩ,读数为3V;电流表内阻为10Ω,读数为4mA.待测电阻R的真实值等于(? )
A.750Ω? B.760Ω? C.1000Ω? D.1010Ω
参考答案:C
本题解析:本实验测量电阻的原理是伏安法.根据电表对电路的影响,分析误差,计算测量值和真实值.
电阻R的测量值
,电阻的真实值
,由于电压表的分流,所以
,即测量值比真实值要小,
,由
得
,C正确,
点评:根据根据实验原理.伏安法是测量电阻的基本方法,有电流表内接法和外接法两种电路结构.
本题难度:简单
4、实验题 某同学用电压表和电流表测量Rx的电阻,已知电压表内阻约3kΩ,电流表内阻约1Ω。
(1)某同学用如图甲所示电路测量电阻Rx,Rx的测量值比真实值_____(选填“偏大”或“偏小”);若被测电阻Rx的阻值约为10Ω,应采用图______(选填“甲”或“乙”)所示由路误差会比较小。
(2)无论是用图甲还是图乙所示电路测量,都不可避免地会产生由电表内阻引起的系统误差。某学习小组设计了以下方案,以避免电表内阻引起的系统误差。该方案利用图丙所示的电路进行测量,主要实验步骤如下:
第一步:将单刀双掷开关S2接2,闭合开关S1,调节滑动变阻器Rp1和Rp2,使电表读数接近满量程,但不超过量程,记录此时电压表和电流表的示数U1、I1
请你写出第二步操作步骤,并说明需要记录的数据;______________
用测得数据计算被测电阻阻值的计算式是Rx=____________________。
简要说明此实验方案为什么能避免由电表内阻引起的实验误差。_______.。
参考答案:(1)偏小,甲?(2)①将开关S2接1,闭合开关S1,保持滑动变阻器Rp1和Rp2滑片位置不变,记录此时电压表和电流表的示数U2、I2;②Rx=
;③当单刀双掷开关S2接2,闭合开关S1时有,
= Rx +RA+Rp2;当单刀双掷开关S2接1,闭合开关S1时有,
= RA+Rp2,所以有,Rx=
,该实验中电流表的内阻所产生的影响两次实验数据相减后被消除,电压表内阻对实验结果没有影响.
本题解析:(1)由于电压表的分流作用使得电阻Rx的测量值偏小;因为
,所以选择甲电路测量较准确;
(2)①将开关S2接1,闭合开关S1,保持滑动变阻器Rp1和Rp2滑片位置不变,记录此时电压表和电流表的示数U2、I2;②Rx=
;③当单刀双掷开关S2接2,闭合开关S1时有,
= Rx +RA+Rp2;当单刀双掷开关S2接1,闭合开关S1时有,
= RA+Rp2,所以有,Rx=
,该实验中电流表的内阻所产生的影响两次实验数据相减后被消除,电压表内阻对实验结果没有影响.
本题难度:一般
5、简答题 有一额定电压为2.8V、额定功率0.56W的小灯泡,现要用伏安法描绘这个小灯泡的伏安特性曲线.有下列器材可供选用
A.电压表(量程0~3V内阻约6kΩ)
B.电压表(量程0~6V,内阻约20kΩ)
C.电流表(量程0-0.6A,内阻约0.5Ω)
D.电流表(量程0~200mA,内阻约20Ω)
E.滑动变阻器(最大电阻10Ω,允许最大电流2A)
F.滑动变阻器(最大电阻200Ω,允许最大电流150mA)
G.三节干电池(电动势约为4.5V)
H.电键、导线若干
(1)为提高实验的精确程度,电压表应选用______;电流表应选用______;滑动变阻器应选用______.(以上均填器材前的序号)
(2)请在虚线框内画出描绘小灯泡伏安特性曲线的电路图.
(3)通过实验描绘出小灯泡的伏安特性曲线如图所示,某同学将一电源(电动势E=2V,内阻r=5Ω)与此小灯泡直接连接时,小灯泡的实际功率是______W.(保留两位有效数字)
参考答案:(1)由题意可知,灯泡的额定电压为2.8V,为了准确性及安全性原则,电压表应选择A;
由P=UI可得,灯泡的额定电流为:I=PU=0.562.8A=200mA,故电流表应选择D;
测量灯泡的伏安特性曲线实验中应采用分压接法,故滑动变阻器应选用小电阻,故滑动变阻器应选择E;
(2)测量小灯泡的伏安特性曲线时,要求电压值从零开始变化,故滑动变阻器应采有分压接法;灯泡内阻约为:UI=14Ω,而电流表内阻约为20Ω,故电流表应采用外接法;故电路图如图所示;
(3)由电源的电动势和内阻作出电源的伏安特性曲线如图所示;则交点为灯泡的工作点,由图可知,灯泡的电压为1.38V,电流为0.15A,则灯泡的功率P=UI=1.3×0.13=0.17W;(0.16~0.20范围内均给对)
故答案为:(1)A、D、E;(2)如图所示;(3)0.17.

本题解析:
本题难度:一般