时间:2019-06-29 05:34:56
1、实验题 在“用电流表和电压表测电池的电动势和内电阻”的实验中,共测得了6组电流I、电压U的值。
(1)图中的6个点表示实验测得的6组电流I、电压U的值,根据这些实验值,要求作出
图线;
(2)由此图线,求得电池电动势
=________V,内阻
______Ω.(均取2位小数)
参考答案:(1) 直线且必须交于横纵坐标轴(2分)?
(2) 2.90---3.00(2分), 0.75----0.85(2分)、
本题解析:(1)利用描点法可得如图所示:直线且必须交于横纵坐标轴
(2)根据闭合回路的欧姆定律
联立方程可得,也可以通过图像与纵轴的截距表示电源电动势,与横轴的截距可得短路电流,
点评:关键是理解U-I图像的意义,例如截距,斜率的物理含义
本题难度:简单
2、实验题 某实验小组探究一种热敏电阻的温度特性.现有器材:直流恒压电源(在正常工作状态下输出的电压恒定)、电流表(内阻不计)、待测热敏电阻、保温容器、温度计、开关和导线等.
(1)若用上述器材测量热敏电阻的阻值随温度变化的特性,请你在图甲的实物图上连线.
?
甲?乙
(2)补充完成实验的主要步骤:
①正确连接电路,在保温容器中注入适量冷水,接通电源,调节并记录电源输出的电流值;
②在保温容器中添加少量热水,待温度稳定后,闭合开关,__________,__________,断开开关;
③重复第②步操作若干次,测得多组数据.
(3)实验小组算得该热敏电阻在不同温度下的阻值,并据此绘得图乙R-t关系图线,请根据图线写出该热敏电阻的R-t关系式:R=______+_______t (Ω)(保留2位有效数字).
参考答案:(1)
(2) 记录温度计数值(2分)?记录电压表数值(2分)
(3) 50(3分)? 0.40(0.38~0.42)(3分)
本题解析:(3)通过图线计算出图线的斜率和与横坐标的交点
本题难度:简单
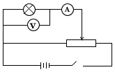
3、实验题 有一个小灯泡上标有“3V 0.2A”的字样,现要描绘并研究其伏安特性曲线,有下列器材可供选用:
A.电压表(0-3V, 内阻约2
)
B.电压表(0-15V,内阻约5
)
C.电流表(0-0.3A,内阻约2
)
D.电流表(0-6A, 内阻约0.5
)
E.滑动变阻器(10
,1A)
F.滑动变阻器(1000
,0.3A)
G.直流电源(6V,内阻不计)
另有开关一个、导线若干。
(1)实验中电压表应选_____________,电流表应选_____________,滑动变阻器应选_____________。(只填器材的字母代号)
(2)在下面的虚线框中画出实验电路图。
(3)利用实验中得到实验数据在下图所示的I-U坐标系中,描绘得出了小灯泡的伏安特性曲线。根据此图给出的信息,若把该灯泡接到一个电动势为3.0伏,内阻为10Ω的直流电源时,小灯泡消耗的实际功率约为______________。(结果保留两位有效数字)
? 
参考答案:(1)A,C,E(2)
(3)0.20 w
本题解析:
本题难度:困难
4、实验题 一位同学利用手边现有器材,设计了一个既能测量待测电阻Rx的阻值(约500Ω),又能测量电源E电动势的电路,如图所示。其中
R1:滑动变阻器,阻值1000Ω
R2:电阻箱,最大阻值999.9Ω
G:电流表量程3mA,内阻约50Ω
E:电源电动势约为3V,内阻很小但不可忽略 
(1)试写出测量电阻Rx的实验步骤:__________________________________________________________________________________________________________________;
(2)在测出电阻Rx的值后,再利用此电路测量电源E的电动势,需要测量的物理量有:_________________________________________________________;
(3)电源E电动势的表达式______________(用所测物理量表示)。
参考答案:(1)第一步:将开关打到a位置闭合,适当调节滑动变阻器R1,使电流表指针指到某一位置;第二步:将开关打到b位置闭合,调节变阻箱R2,使电流表指针指到原来位置,读出此时变阻箱R2接入电路的电 阻值R,即为待测电阻阻值
(2)改变变阻箱R2接入电路的电阻值,读出两组对应的电阻值、电流值,即R2、I1和R"2、I2
(3)
本题解析:
本题难度:困难
5、实验题 利用如图甲所示的电路测量电池组的电动势E和内阻r.根据实验数据绘出-R图线如图乙所示,其中R为电阻箱的示数,I为电流表的示数,不计电流表的内阻,由此可以得到E= V,r= Ω.
参考答案:2 ? 1
本题解析:分析:根据闭合电路欧姆定律I=E/(r+R),进行数学变形,得到R与1/I的关系式,根据数学知识研究1/I-R图象的斜率和截距的意义,求解电源的电动势和内阻.
解答:解:根据闭合电路欧姆定律I= E/(r+R),得1/I=R/E+r/E
由数学知识得知,1/I-R图象的斜率等于1/E,纵轴截距的绝对值等于r/E,
则由图得到,电源的电动势为
E=2V,r=1Ω
故答案为:2,1.
点评:物理图象关键要根据物理规律得到解析式,运用数学知识分析图象的物理意义.本题采用的是转换法,本来I-R是非线性关系,转换成1/I-R是线性关系,图象直观,一目了然.
本题难度:一般