时间:2019-06-29 05:25:46
1、实验题 有一电阻,阻值在100?—200?范围内,它的额定功率约为1/4W。现需要进一步确定其阻值,手头有如下一些器材,
电流表A1: 电阻为20 ? 量程 0—50mA;
电流表A2 : 电阻为20 ? 量程 0—100mA
电压表V1 : 电阻为10k? 量程 0—5V ;
电压表V2 :电阻为20k? 量程 0—15V
滑动变阻器R1:范围0—20?,额定电流2A;
滑动变阻器R2:范围0—100?,额定电流1A
电源E:电动势12V;
电键.导线等。
要求测量误差尽可能小。
(1)请你从上述器材中挑选出相应的器材进行实验。电流表应选用____ ,电压表应选用__ _,滑动变阻器应选用_ __。
(2)用电流表.电压表测量通过被测电阻的电流与电压时,应选用图____ ,所示的联接方式。
(3)请在图中方块处画出测量电路图 
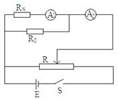
2、实验题 (9 分)用以下器材测量电阻Rx的阻值:
待测电阻Rx,阻值约为100Ω;
电源E,电动势约为6.0V,内阻可忽略不计;
电流表A1,量程为0~50mA,内电阻r1=20Ω;
电流表 A2,量程为0~300mA,内电阻r2约为 4Ω;
定值电阻R0,阻值 R0=20Ω;
滑动变阻器R,最大阻值为10Ω;
单刀单掷开关S,导线若干.
(1)测量中要求两块电表的读数都不小于量程的1/3,且要求尽量多测几组数据,在方框中画出测量电阻Rx的实验电路原理图(图中的元件用题干中相应的英文字母标注).
(2)若某次测量中电流表A1的示数为I1,电流表A2的示数为I2.则由已知量和测量量计算Rx的表达式为 Rx= 。
3、实验题 为了测量一个阻值约为100Ω的电阻,备有下列器材
A.干电池(电动势6V)
B.滑动变阻器(0—10Ω)
C.电压表(内阻约为5KΩ)
D.电流表(内阻约为5Ω)
E.电建、导线
①请用实线表示导线,将图中选定的器材连接成实验电路;
②若用多用电表来测量该电阻,选用倍率“×1”的档位,发现指针偏转角较小,应 ,再
后,重新测量。
4、选择题 关于摩擦起电与感应起电,以下说法正确的是
A.摩擦起电是因为电荷的转移,感应起电是因为产生电荷
B.摩擦起电是因为产生电荷,感应起电是因为电荷的转移
C.不论摩擦起电还是感应起电,都是电荷的转移
D.以上说法均不正确
5、选择题 在x轴上固定两个点电荷Q1=2q、Q2=-q,E1表示Q1激发的电场中某点的场强,E2表示Q2激发的电场中某点的场强,则下列说法正确的是
A.E1和E2相同的点共有两处,一处合场强为零,另一处合场强为2E2
B.E1和E2相同的点共有三处,两处合场强为零,一处合场强为2E2
C.E1和E2相同的点共有一处,其合场强为零
D.E1和E2相同的点共有一处,其合场强为2E2