时间:2019-06-29 05:08:21
1、实验题 如图是一个多量程多用电表的简化电路图,电流、电压和电阻的测量都各有两个量程(或分度值) 不同的档位。1、2两个档位为电流表档位,其中的大量程是小量程的10倍。
小题1:关于此多用表,下列说法正确的是:?(?)
A.当转换开关S旋到位置4时,是电阻档
B.当转换开关S旋到位置6时,是电压档
C.当转换开关S旋到5的量程比旋到6的量程大
D.A表笔为红表笔,B表笔为黑表笔
小题2:已知表头G的满偏电流为100μA,内阻为990Ω,图中的电源E的电动势均为3.5V,当把转换开关S旋到位置4,在AB之间接3500Ω电阻时,表头G刚好半偏,该测量过程操作的顺序和步骤都正确无误,则R1=?Ω,R2=?Ω。
2、选择题 某学生研究串联电路电压特点的实验时,接成如图所示的电路,接通S后,电路中没有电流,他将高内阻的电压表并联在A、C两点间时,电压表读数为U;当并联在A、B两点间时,电压表读数也为U;当并联在B、C两点间时,电压表读数为零,故障的原因可能是? (? ) 
A.AB段断路? B.BC段断路 ? C.AB段短路? D.BC段短路?
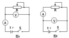
3、实验题 (6分)用电流表和电压表测1节干电池的电动势和内电阻,如图中给出了A、B两个供选用的电路图,为了较精确地测定电动势和内电阻,实验中应选用______电路。正确选用电路后,实验时经测量得出的数据如下表,请在下图C的方格纸上画出U-I图线。利用图线可求出电源电动势为______V,内电阻为_______Ω(结果均保留到小数点后两位)
。
| ? | 1 | 2 | 3 | 4 | 5 | 6 |
| I/A | 0.12 | 0.20 | 0.31 | 0. 32 | 0.50 | 0.57 |
| U/V | 1.37 | 1.32 | 1.24 | 1.18 | 1.10 | 1.05 |

4、简答题 某同学在探究规格为“6V,3W”的小电珠伏安特性曲线实验中:
(1)在小电珠接入电路前,使用多用电表直接测量小电珠的电阻,则应将选择开关旋至______档进行测量.
(2)该同学采用如图甲所示的电路进行测量.图中R为滑动变阻器(阻值范围0-20Ω,额定电流1.0A),L为待测小电珠,
为电压表(量程6V,内阻20kΩ),
为电流表(量程0.6A,内阻1Ω),E为电源(电动势8V,内阻不计),S为开关.
①.在实验过程中,开关S闭合前,滑动变阻器的滑片P应置于最______端.(填“左”或“右”)
②.在实验过程中,已知各元器件均无故障,但闭合开关S后,无论如何调节滑片P,电压表和电流表的示数总是调不到零,其原因是______点到______点的导线没接好,(图甲中的黑色小圆点表示接线点,并用数字标记,空格中请填写图甲中的数字,如“2”点到“3”点的导线)
③.该同学描绘出小电珠的伏安特性曲线示意图如图乙所示,则小电珠的电阻随工作电压的增大而______(填:“不变”、“增大”或“减小”)
5、实验题 下列关于多用表欧姆档测电阻的说法中正确的是?。
A.测量电阻时,如果指针偏转过大,应将选择开关
拨至倍率较小的档位,重新调零后测量
B.测量电阻时,如果红.黑表笔分别插在负.正插孔,则会影响测量结果
C.测量电路中的某个电阻,应该把该电阻与电路断开
D.测量阻值不同的电阻时,都必须重新调零