时间:2019-06-29 05:08:21
1、实验题 标有“6V,1.5W”的小灯泡,测量其0—6V各不同电压下的实际功率,提供的器材除导线和开关外,还有:
A.直流电源 6V(内阻不计)
B.直流电流表0-3A(内阻0.1Ω以下)
C.直流电流表0-300mA(内阻约为5Ω)
D.直流电压表0-15V(内阻约为15kΩ)
E.滑动变阻器10Ω , 2A
F.滑动变阻器1kΩ , 0.5A
①实验中电流表应选用?,滑动变阻器应选用 ?。(用仪器前序号表示)
②在虚线方框图中画出电路图
参考答案:①C? E? ②如图所示
本题解析:(1)小灯泡的额定电流为0.25A,所以选择C电流表足够精度;一般为了测量0V的电路只有分压式电路可以,所以选择小电阻分压,即E。
(2)根据设计要求,分压式电路,同时为了保证测量精度,根据判别式
,小灯泡内阻远小于此,所以属于小电阻,即用外接法。电路如图。
点评:本题考查了常规分压式电路的设计和仪器的选择,要注意仪器安全、数据精度等。
本题难度:一般
2、实验题 (12分)按图所示的电路测量两节干电池串联组成电池组的电动势
和内阻
,其中
为电阻箱,
为定值电阻,干电池的工作电流不宜超过0.5A.实验室提供的器材如下:电流表(量程0~0.6~3.0A),电阻箱(阻值范围0~999.9Ω),定值电阻若干,电键、导线若干。
①在下面提供的四个电阻中,保护电阻
应选用_______。
A.5Ω? B.20Ω? C.100Ω?D.1kΩ
②根据电路图,请在图中画出连线,将器材连接成实验电路。


③实验时,改变电阻箱
的值,记录下电流表A的示数
,得到若干组
、
的数据。根据实验数据绘出如图所示的
图线,由此得出电池组的电动势
=______
,内电阻
=_______
.
参考答案:① A (3分) ② 实物图连接如图所示(3分) 
③ 3.0 (2.9
3.0)(3分), 1.0 (0.9
1.1)(3分)
本题解析:
试题分析:①两节干电池的电动势是3V,干电池的工作电流不宜超过0.5A.所以电路总电阻不小于6Ω,所以保护电阻
应选用A.
②由电路图将器材连接成实验电路,如上图所示.
③根据闭合电路欧姆定律
,可得
,根据数学知识得知,
图象的斜率等于电源的电动势
,斜率为k≈3.00,则电源的电动势
;轴截距的绝对值
,则内阻
.
本题难度:一般
3、实验题 发光晶体二极管是用电器上做指示灯用的一种电子元件。它的电路符号如图(甲)所示,正常使用时,带“+”号的一端接高电势,带“-”的一端接低电势。某同学用滑动变阻器改变阻值的方法用伏特表和毫安电流表测得二极管两端的电压UD和通过它的电流I的数据,并记录在表中: 
要求:
(1)在图(乙)中的虚线内画出该同学的实验电路图;
(2)在图(丙)中的小方格纸上用描点法画出二极管的伏安特性曲线,并判断该二极管的电阻随所加电压的变化怎样变化;
(3)已知该发光二极管的最佳工作电压为2.5V,现用5V稳压电源供电,需要串联一个电阻R才能使二极管工作在最佳状态,试运用伏安特性曲线计算R的阻值(取整数)。 

参考答案:(1)
(2)
(3)根据U-I图线,当二极管的工作电压为2.5V时,工作电流约为21.5mA,
串联电阻上分到电压应为2.2V,故应串联的电阻为:
。
本题解析:
本题难度:困难
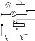
4、简答题 某同学用如图所示的电路测量电压表
的电阻,已知
的量程是3V电阻约为1.5kΩ.图中
是另一块电压表,量程与
相同.R0是阻值已知的定值电阻,R中滑动变阻器,P是滑动触头.
(1)请在右边的方框中画出他的实验电路图.
(2)有两个定值电阻,阻值分别是100Ω及1.2kΩ,则在该实验中R0应选择______;同时有两个滑动变阻器,阻值分别是100Ω及1.2kΩ,则在该实验中R应选择______.
(3)他在实验中应测量哪些量?简要写出他的测量步骤.
(4)用他的测量量表示的电压表
的电阻值是RV1=______.
参考答案:(1)该题中要属于另一个电压表V2,来测量电压表V1的电阻,是根据串联电阻的分压原理来测量,所以是电压表V1与R0串联后与V2并联;电压表的示数变化范围要尽量大一些,所以滑动变阻器要采用分压式接法.电路原理图如图.
(2)V1的电阻约1.5kΩ,若与R0=100Ω串联,电压表上的示数变化不大,所以误差会大一些,应选择与R0=1.2kΩ串联;滑动变阻器要采用分压式接法,要选择100Ω的小电阻.
(3)要测量和记录的是两电压表的读数U1及?U2.
步骤:先把滑动变阻器的滑片P移动到最左端;闭合开关S再调节P,使电压表V2满刻度(或接近满刻度),记下此时两电压表的读数U1及?U2.
(4)电压表V 1与电阻R0上电压的和等于电压表V2的电压U2,根据串联电阻的分压关系得:U1RV1=U2-U1R1
整理得:RV1=U1U2-U1R0.
故答案为:
(1)如答图所示.
(2)1.2kΩ;100Ω.
(3)先把滑动变阻器的滑片P移动到最左端;闭合开关S再调节P,使电压表V2满刻度(或接近满刻度),记下此时两电压表的读数U1及?U2.
(4)U1U2-U1R0
本题解析:
本题难度:一般
5、实验题 “研究回路中感应电动势E与磁通量变化快慢的关系”实验,如图1所示。
(1)(3分)某同学改变磁铁释放时的高度,作出E-△t图象寻求规律,得到如图2所示的图线。由此他得出结论:磁通量变化的时间△t越短,感应电动势E越大,即E与△t成反比。
① 实验过程是________的(填写“正确”“不正确”);
② 实验结论__________________________________________(判断是否正确并说明理由)。
(2)(3分)对实验数据的处理可以采用不同的方法
①如果横坐标取_____________,就可获得如图3所示的图线;?
②若在①基础上仅增加线圈的匝数,则实验图线的斜率将__________(填“不变”“增大”或“减小”)。
参考答案:(1) (3分)① 正确(1分);② 不正确,只有在磁通量变化相同的条件下,时间越短,感应电动势才越大。另外,从E-△t图象并不能得到E与△t成反比的结论。 (2分)
(2) (3分) ①因为图2是曲线,可猜测为反比的关系进而利用横轴为1/△t 来验证。横坐标取1/△t(1分);
②线圈匝数增加,则感应电动势变大,则实验图线的斜率将变大(2分)
本题解析:(1) (3分)① 正确(1分);② 不正确,只有在磁通量变化相同的条件下,时间越短,感应电动势才越大。另外,从E-△t图象并不能得到E与△t成反比的结论。 (2分)
(2) (3分) ①因为图2是曲线,可猜测为反比的关系进而利用横轴为1/△t 来验证。横坐标取1/△t(1分);
②线圈匝数增加,则感应电动势变大,则实验图线的斜率将变大(2分)
本题难度:一般