时间:2019-06-28 05:35:48
1、选择题 如图所示是简化的多用表的电路.转换开关S与不同接点连接,就组成不同的电表,已知R3<R4,下面是几位同学对这一问题的议论,请你判断他们中的正确说法( )
A.S与1、2连接时,多用表就成了电流表,且前者量程较大
B.S与3、4连接时,多用表就成了电流表,且前者量程较大
C.S与3、4连接时,多用表就成了电压表,且前者量程较大
D.S与5连接时,多用表就成了欧姆表
参考答案:AD
本题解析:
本题难度:一般
2、简答题 如图所示,绝缘固定擦得很亮的锌板A小平放置,其下方水平放置接地的铜板B.两板间距为d,两板面积均为S,正对面积为S′,且S′<S.当用弧光灯照射锌板上表面后,A、B间一带电液滴恰好处于静止状态.试分析:
(1)液滴带何种电荷?
(2)用弧光灯再照射A,液滴做何种运动?
(3)若使液滴向下运动,应采取什么措施?
参考答案:(1)用弧光灯照射锌板上表面,发生光电效应,是上极板带正电,所以极板间的电场是向下的,液滴受力平衡,重力向下,所以电场力一定向上,所以液滴带负电.
(2)用弧光灯再照射A,上极板失去的电子更多,电荷量增加,电场增强,液滴受到的向上的电场力变大,合力向上,所以此时的液滴会向上加速运动.
(3)使液滴向下运动,应该减小电场的强度,
由于极板的带电量不变,
根据电容器的公式C=?s4πkd=QU,
电场强度 E=Ud,
当极板的正对面积增大时候,电容增大,两极板之间的电压减小,电场强度减小,
液滴受到的电场力减小,此时液滴将向下运动.
答:(1)液滴带负电;
(2)用弧光灯再照射A,液滴向上加速运动;
(3)使液滴向下运动,可以增加极板的正对面积.
本题解析:
本题难度:一般
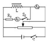
3、实验题 (Ⅰ)要测定一个自感系数很大的线圈L的直流电阻,实验室提供下列器材:
①待测线圈L,阻值约为2Ω,额定电流为2A
②电流表A1量程为0.6A,内阻为0.2Ω
③电流表A2量程为3A,内阻为0.2Ω
④变阻器R1阻值为1-10Ω,变阻器R2阻值为0-1KΩ。
⑤电池 E,电动势为9V,内阻很小
⑥定值电阻 R1=10Ω,R2=100Ω?
⑦开关S1,S2
要求实验时,改变变阻器,可使在尽可能大的范围内测得多组A1表、A2表的读数I1、I2,利用I1-I2的图象,求出电感线圈的电阻。
(1)实验中定值电阻应选用______,变阻器应选用_________。
(2)请在方框内画上电路图。
(3)I2—I1对应的函数关系式为_____________。
(4)实验结束时应先断开开关_________________。
(5)由I2—I1图象得出
的平均值为6.0,则电感线圈的直流电阻为_____________。
(Ⅱ)卡文迪许设计扭秤实验测定了万有引力恒量,实验中通过万有引力使石英丝扭转的办法巧妙地测量了极小的万有引力。现有学生研究用某种材料做成的圆柱体在外力矩作用下发生扭转的规律,具体做法是:做成长为L、半径为R的圆柱体,使其下端面固定,在上端面施加一个扭转力矩M,使上端面半径转过一扭转角θ,现记录实验数据如下:
| 实验次数 | M/×10-2N·m | L/×10-2m | R/×10-4m | θ/度 |
| 1 | 1 | 5 | 5 | 5.1 |
| 2 | 2 | 5 | 5 | 10.0 |
| 3 | 2 | 10 | 5 | 19.9 |
| 4 | 2 | 10 | 10 | 5.0 |
| 5 | 3 | 10 | 5 | 30.2 |
| 6 | 3 | 15 | 5 | 44.9 |
| 7 | 4 | 20 | 15 | 8.9 |
可以采取____________法,分别研究扭转角θ与M、θ与L、θ与R的关系,进而得出θ与M、L、R的关系是________________。
端面固定,上端面受到M=4×10-2N·m的扭转力矩作用下,上端面将转过的角度是________。
,则K与R、L的关系是______________。参考答案:I.(1)? R1?、? R3?
(2) I2—(RL+R3+r)I1/RL?
(3)?如右图?
(4)? S2?(5)? 2.04?
II.(1)?控制变量法??、
(或θ∝ML/R2)
(2)? 10度??
(3)?
(或K∝R2/L),??
(4)?长?、?细?
本题解析:略
本题难度:简单
4、实验题 “用描迹法画出电场中平面上的等势线”的实验中
?(1)如图所用的电表指针偏转方向与流入电流的关系是:当电流从正接线柱流入电表时,指针偏向正接线柱一侧.一位学生用这个电表探测基准点2两侧的等势点时,把接电表正接线柱的探针E1接触基准点2,把接电表负接线柱的探针E2接触纸上某一点,发现表的指针发生了偏转,为了探测到等势点,则
[? ]
A.若电表指针偏向正接线柱一侧,E2应右移
B.若电表指针偏向正接线柱一侧,E2应左移
C.若电表指针偏向负接线柱一侧,E2应右移
D.若电表指针偏向负接线柱一侧,E2应左移
(2)在平整的木板上依次铺放白纸、复写纸和导电纸。在导电纸上平放两个圆柱形电极A与B,分别与直流电源的正、负极接好,如图所示。若以A、B连线为x轴,A、B连线的中垂线为y轴,将一个探针固定在y轴,将一个探针固定在y轴上的某一点,沿x轴移动另一个探针,发现无论怎样移动,灵敏电流表的指针都不偏转,若电源及连线都是完好的,可能的故障是________。将实验故障排除后,探针从BO间某处沿x轴向电极A移动的过程中,电流表中指针偏转的情况是________。 
参考答案:(1)BC
(2)导电纸涂导电物质的一面朝下了;偏角逐渐减小到零,再反向偏转,偏角逐渐变大
本题解析:
本题难度:一般
5、选择题 如图甲所示,在两距离足够大的平行金属板中央有一个静止的电子(不计重力),当两板间加上如图乙所示的交变电压后,下列图像中能正确反映电子速度
.位移
.加速度
和动能
四个物理量随时间变化规律的是:?(?)

参考答案:A
本题解析:由牛顿第二定律:
,可知电子的加速度大小不变,方向改变,C错;根据牛顿第二定律的瞬时性,电子先向右匀加T/4,之后匀减T/4,接着反向匀加T/4,再匀减T/4,做周期性往复运动。A对,B错;在第一个T/4周期内,动能
不是直线,所以D错。
本题难度:简单