时间:2019-06-28 05:35:48
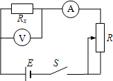
1、简答题 在测金属电阻率实验中:
①测长度时,金属丝的起点、终点位置如图(a)则长度为:______cm
②用螺旋测微器测金属丝直径,示数如图(b)则直径为:______mm
③读出电压表和电流表的读数:电压表:______;电流表:______.
④在实物图中完成实物连线.
参考答案:①起点读数为10.00mm;
终点读数为70.50mm;
故长度为:70.50mm-10.00mm=60.50mm;
②固定刻度读数:1mm;
半刻度读数:0.5mm;
可动刻度读数:48.0×0.01mm=0.480mm
螺旋测微器读数=固定刻度读数+半刻度读数+可动刻度读数=1mm+0.5mm+0.480mm=1.980mm;
③电压表最小刻度为0.1V,故读数为0.80V;
电流表最小刻度为0.02A,故读数为0.35A;
④为保证安全,滑动变阻器采用限流式接法;
金属丝电阻较小,故电流表采用外接法;
电路图如图所示:
对照电路原理图连线,如图所示:
故答案为:
①60.50(60.46-60.52均可);
②1.980(1.976-1.984均可);
③0.80V(0.78V-0.84V均可);0.35A;
④如图所示.
本题解析:
本题难度:一般
2、实验题 某同学在用电流表和电压表测电池的电动势和内阻的实验中,串联了一只2.5Ω的保护电阻R0,实验电路如甲图所示。
(1)按图甲电路原理图将图乙实物连接起来;
? 
(2)该同学按上述电路正确连接好实验电路,合上开关S后,当滑动变阻器的滑动触头P由A端向B端逐渐滑动时,发现电流表的示数逐渐增大,而电压表的示数几乎不变,直到当滑动触头P滑至临近B端时,电压表的示数急剧变化,出现上述情况的原因是___________;
(3)该同学顺利完成实验,测出的数据如下表所示。请你根据这些数据帮他在下面坐标图中画出U-I图象,并由图得出电池的电动势E =___________V,内阻r = ___________Ω; 
(4)考虑电表本身电阻对测量结果的影响,造成本实验的系统误差的原因是___________(选填“电流表的分压”或“电压表的分流”)。
参考答案:(1)
(2)滑动变阻器的总电阻太大(3)
,1.50,0.50(4)电压表的分流
本题解析:
本题难度:一般
3、简答题 图中左边有一对平行金属板,两板相距为d.电压为V;两板之间有匀强磁场,磁感应强度大小为B0,方向与金属板面平行并垂直于纸面朝里.图中右边有一半径为R、圆心为O的圆形区域内也存在匀强磁场,磁感应强度大小为B,方向垂直于纸面朝里.一电荷量为q的正离子沿平行于全属板面、垂直于磁场的方向射入平行金属板之间,沿同一方向射出平行金属板之间的区域,并沿直径EF方向射入磁场区域,最后从圆形区城边界上的G点射出.已知弧

参考答案:
(1)由题设知,离子在平行金属板之间做匀速直线运动,将受到的向上的洛伦兹力和向下的电场力,由题意知二力平衡,有:
qvB0=qE0…①
式中,v是离子运动速度的大小.E0是平行金属板之间的匀强电场的强度,有:
E0=Vd…②
①②两式联立得:
v=VB0d…③
(2)在圆形磁场区域,离子做匀速圆周运动,洛伦兹力提供向心力,由洛伦兹力公式和牛顿第二定律有:
qvB=mv2r…④
式中,m和r分别是离子的质量和它做圆周运动的半径.
由题设,离子从磁场边界上的点G穿出,离子运动的圆周的圆心O"必在过E点垂直于EF的直线上,且在EG的垂直一平分线上(见图).
由几何关系有:
r=Rtanα…⑤
式中,α是OO"与直径EF的夹角,由几何关系得:
2α+θ=π…⑥
联立③④⑤⑥式得,离子的质量为:
m=qBB0RdVcotθ2
答:(1)离子速度的大小为VB0d.
(2)离子的质量qBB0RdVcotθ2.
本题解析:
本题难度:一般
4、选择题 关于使用欧姆表的注意事项,下列说法中正确的是( )
A.用欧姆表测电阻,每次换挡后和测量前都要重新进行电阻调零
B.测电阻时,待测电阻不仅要和电源断开,而且要和别的元件断开
C.测量时,手可以碰两个表笔的金属部分,不会影响测量结果
D.测量完毕后,应拔出表笔,选择开关置于OFF挡位置或交流电压最高挡
参考答案:ABD
本题解析:
本题难度:简单
5、实验题 (1)在“测金属电阻率”实验中,螺旋测微器测金属丝的直径的读数如图,则直径d=_____________mm。


参考答案:(1)0.900
(2)A1,V2,R1,测量电路原理图如图
?
(3)
本题解析:
本题难度:困难