时间:2019-06-28 05:03:12
1、选择题 一带电粒子从静止经加速电压U1的加速电场加速后进入板间距离为d,板间电势差为U2的偏转电场,当它飞出偏转电场时,偏转角为θ,要使偏转角θ增大,则需要( )
A.使粒子的荷质比变大(q/m)
B.其它条件不变,只使U1变小
C.其它条件不变,只使U2变小
D.其它条件不变,只使d变大
2、简答题 如图1所示,某同学设计了一个测量金属丝电阻率的实验.将直径为d的待测金属丝固定在接线柱a、b上,在金属丝上安一个小金属滑片c,连接好电路,电路中R0是保护电阻(阻值未知).已知电压表的内阻远大于金属丝的电阻,电压表的分流作用可以忽略不计.闭合开关后电流表的读数为I0,调节滑片c的位置,分别测量出长度L及所对应的电压值U,然后作出U-L图象,如图2所示.(1)在图线上取一点P,P点的横坐标值为L0,纵坐标值为U0,由此可得该金属丝的电阻率为______.
(2)用实线连接实验线路图
3、简答题 一个电流计的满偏电流Ig=100μA,内阻为600Ω,要把它改装成一个量程为0.6A的电流表,则应在电流计上______(填串联或并联)一个约______Ω的电阻(保留一位有效数字)
4、简答题 请帮助完成“测定金属丝电阻率”的实验
①用螺旋测微器测量金属丝的直径如图甲所示,则它的读数是______mm.用多用电表的电阻“×1”挡,按正确的操作步骤粗略测量金属丝的阻值,表盘的示数如图乙所示,则它的读数是______Ω.
②若想用伏安法更精确地测量其电阻,己经选好的器材有:
A.电流表(量程0?0.6A,内阻约几欧)
B.电压表(量程0?6V,内阻约20kΩ)
C.电源(电动势6V,内阻很小)
D.若干导线和电键
实验室有两种滑动变阻器备选:
E.滑动变阻器(阻值范围0?500Ω)
F.滑动变阻器(阻值范围0?10Ω)
请帮该实验小组选择合适的滑动变阻器______(填字母序号).为了得到更多组实验数据,请你设计实验的最佳电路,将如图实物图中缺少的导线连上去.
③若在前几步中测得电阻丝的直径为d、接入电路部分的电阻值为R,则还需测量______(注:同时填其字母符号),由此可算出该电阻丝的电阻率为ρ=______.
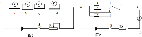
5、简答题 “探究导体电阻与导体长度、横截面积、材料的关系”的实验电路如图所示,a、b、c、d是四种不同的金属丝.现有几根康铜合金丝和镍铬合金丝,其规格如下表所示.
| 编号 | 材料 | 长度(m) | 横截面积(mm2) A 镍铬合金 0.8 0.8 B 镍铬合金 0.5 0.5 C 镍铬合金 0.3 0.5 D 镍铬合金 0.3 1.0 E 康铜丝 0.3 0.5 F 康铜丝 0.8 0.8 |
