时间:2019-06-23 22:15:24
1、简答题 某同学用伏安法测一节干电池的电动势E和内电阻r,所给的器材有:
A.电压表V:0~3~15V?B.电流表A:0~0.6~3A?C.变阻器R1(20Ω,1A)
D.变阻器R2(1000Ω,0.1A)?E.电键S和导线若干
(1)实验中电流表应选用的量程为______;电压表应选用的量程为______;变阻器应选用______(填R1或R2);
(2)实验测得的6组数据已在U-I图中标出,如图所示.请你根据数据点位置完成U-I图线,并由图线求出该电池的电动势E=______V,电阻r=______Ω.
参考答案:(1)由图可知,电流小于0.6A,故电流表应选用的量程为0-0.6A;而电池的电动势约为1.5V,故电压表应选用的量程为?0-3V;
为了调节方便并能减小误差,故变阻器应选用R1;
(2)根据数据点位置完成U-I图线,由图可知,电动势为1.5V;
图象的斜率为:r=1.5-1.01.0=0.50Ω;
故答案为:(1)0~0.6;0~3;R1;
(2)1.5;0.5.
本题解析:
本题难度:一般
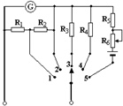
2、选择题 如图是简化的多用表的电路.转换开关S与不同接点连接,就组成不同的电表:下面是几位同学对这一问题的议论,请你判断他们中的正确说法( ? )
A.S与2连接时,多用表就成了电流表
B.S与3连接时,多用表就成了电流表
C.S与4连接时,多用表就成了电压表
D.S与5连接时,多用表就成了电压表
参考答案:AC
本题解析:
本题难度:一般
3、选择题 如图所示,水平放置的平行金属板与电源相连,板间距离为d,板间有一质量为m、电量为q的微粒恰好处于静止状态,若再将开关断开,再将两板间距离先增大为2d,再减小到d/2,则微粒将
[? ]
A.先向上加速运动,后向下加速运动
B.先向下加速运动,后向上加速运动
C.保持静止
D.一直向下运动
参考答案:C
本题解析:
本题难度:一般
4、简答题 一位同学在做《测电源电动势和内阻》的实验中,记录的7组数据见表.试根据这①.些数据在下图中画出U-I图线.
②.根据图线读出:电池的电动势ε=______V
电池内阻r=______Ω
| I?(安培) | U?(伏特) 0.10 1.40 0.15 1.34 0.20 1.29 0.25 1.25 0.30 1.20 0.35 1.16 0.40 1.10 |

参考答案:(1)根据已知的数据,画出U-I图象如图所示,
(2)在U-I图象中,图象与纵坐标的截距代表是的电动势的大小,
所以电池的电动势的大小为E=1.50V
图象的斜率的大小代表是内电阻的大小,
所以r=△U△I=1.0Ω
故答案为:①.如图
②1.5,1.0
本题解析:
本题难度:一般
5、简答题 如图所示,金属板A与B平行且相距为d,在A板上放置一小粒放射性物质钴60,它不断释放α粒子,这些粒子的最大速度为v,B板上涂有荧光粉.设α粒子的电量为q,质量为m,当在A、B间加电压u(uA>uB)时,假设没有α粒子被B板反射,B板的面积足够大,试求:α粒子轰击荧光粉面使B板发光的面积为多大?
参考答案:
当α粒子以速度v平行于A板了射时,作类平抛运动在B板形成的发光面积最大
α粒子在AB之间的电场中所受电场力F=qE=qud?
α粒子产生的加速度a=Fm=qumd
在平行电场方向粒子做初速度为0的匀加速直线运动,由位移时间关系有:
d=12at2
t=
本题解析:
本题难度:一般