时间:2019-05-21 05:14:52
1、选择题 如图所示,可以将电压升高供给电灯的变压器的图是( )
参考答案:C
本题解析:甲图中原线圈接入恒定电流,变压器不能工作,故A错误;乙图中,原线圈匝数比副线圈匝数多,所以是降压变压器,故B错误;丙图中,原线圈匝数比副线圈匝数少,所以是升压变压器,故C正确;丁图中,原线圈接入恒定电流,变压器不能工作,故D错误。
考点:考查了理想变压器
本题难度:一般
2、选择题 用电高峰期,电灯往往会变暗,其原理可简化为如下物理问题。如图,理想变压器的副线圈上,通过输电线连接两只相同的灯泡L1和L2,输电线的等效电阻为R,原线圈输入有效值恒定的交流电压,当开关S闭合时,正确的是
A.灯泡L1 两端的电压减小
B.原线圈输入功率减小
C.副线圈输出电压减小
D.电阻R 两端的电压增大
参考答案:AD
本题解析:
试题分析: 首先副线圈上的电压不变,闭合S后,副线圈因为并联了一个L2,导致副线圈电阻减小,所以副线圈上的总电流增大,R上的电压U=IR增大,L1上的电压减小,电流也就减小,对副线圈,电压不变,电流增加,所以副线圈输出功率增加,故A、D正确;B、C错误。
本题难度:简单
3、简答题 如图所示,把电动势为E、内电阻为r的交流电源接在理想变压器的输入端,输出端接电阻为R的用电器.变压器原、副线圈匝数比为多大时,用电器R上获得的功率最大?最大功率为多少?
参考答案:把变压器和R看做一个整体,等效电阻为R′,则当R′=r时,输出功率最大为Pm=E24r,
根据P=U22R知副线圈电压为:U2=E2
本题解析:
本题难度:一般
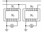
4、选择题 为了监测变电站向外输电情况,要在变电站安装互感器,其接线如图所示,两变压器匝数分别为N1、N2和N3、N4,a和b是交流电表,则以下说法正确的是 ( )
A.N1
参考答案:
本题解析:
本题难度:一般
5、选择题 如图甲所示,电路中理想变压器原线圈与副线圈匝数比
| n1 n2 |
| 1 10 |

参考答案:A、副线圈的电流最大值为5A,根据U=IR得副线圈两端的电压最大值为:Um=5×440=2200V,故A错误;
B、根据U1U2=n1n2,得原线圈两端电 压的最大值为:220V,故有效值为:110
本题解析:
本题难度:简单