时间:2019-05-21 05:14:52
1、选择题 如图13-8所示,理想变压器初级线圈的匝数为n1,次级线圈的匝数为n2,初级线圈的两端a、b接正弦交流电源,电压表V的示数为220 V,负载电阻R="44" Ω,电流表A1的示数为0.20 A.下列判断中正确的是( )
图13-8
A.初级线圈和次级线圈的匝数比为2∶1
B.初级线圈和次级线圈的匝数比为5∶1
C.电流表A2的示数为1.0 A
D.电流表A2的示数为0.4 A
2、选择题 用理想变压器给负载(所有负载都是并联的)供电,下列措施哪些可以增大变压器的输入功率:
A.只增加原线圈的匝数
B.只增加负载电阻值
C.只增加负载的个数
D.只增加副线圈的匝数
3、选择题 如图所示为一理想变压器,原线圈匝数为n1,四个副线圈的匝数均为n2,四个副线圈中负载电阻的阻值相同,二极管为理想二极管.现从原线圈P、Q两端输入正弦交变电流,那么下列说法正确的是( )
A.只有流过Ra和Rd上的电流仍是交变电流
B.加在Ra两端的电压是Rb的两倍
C.Ra消耗的功率是Rb的两倍
D.若输入的正弦交变电流频率增大,Rc的功率减小,Rd的功率增大
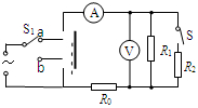
4、选择题 如图是自耦变压器的示意图.负载变化时输入电压不会有大的波动.输电线的电阻用R0表示.如果变压器上的能量损失可以忽略,以下说法正确的是
( )
A.开关S1接a,闭合开关S后,电压表V示数减小,电流表A示数增大
B.开关S1接a,闭合开关S后,原线圈输入功率减小
C.断开开关S,开关S1接a时电流表的示数为I1,开关S1接b时电流表的示数为I2,则I1>I2
D.断开开关S,开关S1接a时原线圈输入功率为P1,开关S1接b时原线圈输入功率为P2,则P1<P2
5、选择题 如图所示,一理想变压器的原副线圈匝数比为5∶1,正弦交流电源的内阻不计,电阻R1=R2="4" Ω,R2消耗的功率为P2="100" W,则(?)
A.R1消耗的功率为100 W
B.R1、R2中的电流之比为1∶5
C.原线圈两端电压的最大值为100 V
D.交流电源的输出功率等于100 W