时间:2019-03-16 01:48:36
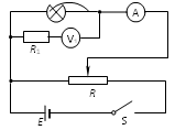
1、实验题 利用如图甲所示电路图可以测定定值电阻R0的阻值、电源电动势E及内电阻r的值,利用实验测出的数据作出U-I图线如图乙所示。
(1)测得a图线的电压表应该是 (填“V1”或“V2”)
(2)要使实验中测量定值电阻R0的误差可能小,对电流表A的内电阻大小的要求是 ;(选填字母代号)
A、尽可能选小一点
B、尽可能选大一点
C、无要求
(3)要使实验中测量电源电动势E和内阻r的误差尽可能
小对电压表V1的内电阻大小的要求是 ;(选填字母代号)
A、尽可能选小一点 B、尽可能选大一点 C、无要求
参考答案:(1)
(2)C (3)B
本题解析:(1)电压表
测量的是路端电压,路端电压随电流的增大而减小,电压表
测量的是电阻
两端的电压,由欧姆定律可知
两端的电压随电流增大而增大,由图可知a图线随电流的增大而增大,测得a图线的电压表应该是
(2)此实验电路测
得阻值用电流表的外接,误差的产生是由于电压表的分流作用,所以对电流表A的内电阻大小无要求;故选C
(3)此实验电路测电源内阻r的误差,主要来源为电压表的分流作用,电源内阻的测量值为电压表与电源并联的总电阻即
,可见
越大误差越小;故选B
考点:伏安法测电阻、测电源电动势和内电阻
点评:注意电源路端电压随电流的增大而减小,定值电阻两端的电压随电流增大而增大。
本题难度:一般
2、实验题 (8分)在“用电流表和电压表测定电池的电动势和内电阻”的实验中
(1)(2分)备有如下器材:
A.干电池1节
B.滑动变阻器(0~20
)
C.滑动变阻器(0~1k
)
D.电压表(0~3V)
E.电流表(0~0.6A)
F.电流表(0~3A)
G.开关、导线若干
其中滑动变阻器应选_________,电流表应选_______.(只填器材前的序号)
(2)(2分)为了最大限度的减小误差,请在虚线框中画出该实验最合理的电路图.
(3)(2分)某同学根据实验数据画出的U-I图象如下图所示,由图象可得电池的内电阻为________
.
参考答案:(1) B;E;(2) 电路图;(3) 1。
本题解析:(1)滑动变阻器选择最大阻值较小的B,以方便调节;电流表选择量程小的E,因为电压较低,电路中的电流不会太大;(2)电路图如图所示;(3)电池的电动势为1.5V,故其内阻 r=
=1Ω。
考点:用电流表和电压表测定电池的电动势和内电阻的实验。
本题难度:一般
3、实验题 根据伏安法,由10V电源、0~10V电压表、0~10mA电流表等器材,连接成测量较大阻值电阻的电路.由于电表内阻的影响会造成测量误差,为了避免此误差,现在原有器材之外再提供一只高精度的电阻箱和单刀双掷开关,某同学设计出了按图甲电路来测量该未知电阻的实验方案。
(1)请按图甲电路,将图乙中所给器材连接成实验电路图。
(2)请完成如下实验步骤:
①先把开关S拨向Rx,调节滑动变阻器,使电压表和电流表有一合适的读数,并记录两表的读数,U=8.16V,I=8mA,用伏安法初步估测电阻Rx的大小为 Ω。
②调节电阻箱的电阻值,使其为伏安法估测的值,之后把开关S拨向电阻箱R,微调电阻箱的电阻值,使电压表、电流表的读数与步骤①中的读数一致.读得此时电阻箱的阻值R=1000Ω。③该未知电阻Rx= Ω。
(3)利用测得的数据,还可以得到 表的内电阻等 Ω。
参考答案:(1)电路连接如图;(2)①1020;③1000;(3)电流表;20Ω
本题解析:(1)电路连接如图:
(2)①初步估测电阻Rx的大小为
;③该未知电阻Rx=1000Ω;(3)利用测得的数据,还可以得到电流表的内电阻等
。
考点:伏安法测电阻。
本题难度:一般
4、实验题 有一个小灯泡上标有“4.8V 2W”的字样,现在测定小灯泡在不同电压下的电功率,并作出小灯泡的电功率P与它两端电压的平方U2的关系曲线.有下列器材可供选用:
A.电压表V1(0~3V,内阻3kΩ) B.电压表V2(0~15V,内 阻15kΩ)
C.电流表A(0~0.6A,内阻约1Ω) D.定值电阻R1=3kΩ
E.定值电阻R2=15kΩ F.滑动变阻器R(10Ω,2A)
G.学生电源(直流6V,内阻不计)
H.开关、导线若干
【小题1】实验中所用电压表应选用 ,定值电阻应选用 (均用序号字母填写);
【小题2】为尽量减小实验误差,并要求从零开始多取几组数据,请在方框内画出满足实验要求的电路图;
【小题3】利用上述实验电路图测出的电压表读数UV与此时小灯泡两端电压U的定量关系是 ,下图的四个图象中可能正确的是 .
参考答案:
【小题1】A(1分),D(1分)
【小题2】电路图如图
【小题3】
(1分),C(2分)
本题解析:【小题1】小灯泡额定电压为4.8V,用0—15V量程较大,所以用V1串联一个定值电阻可以加大量程,串联R1量程会变成0—6V,符合要求,所以电压表选用A,定值电阻选用D。
【小题2】要求不用电压下的图线,所以变阻器应该用分压式,小灯泡电阻较小,电流表选用外接,电路图如下
【小题3】灯泡两端电压相当于电压表和定值电阻的总电压,所以
则图线斜率表示电阻的倒数,随温度升高电阻增大,则斜率应该减小,故选C
本题难度:一般
5、实验题 甲同学设计了如图所示的电路测量电源电动势E及电阻R1和R2的阻值。实验器材有:
待测电源E(不计内阻) 待测电阻R1 待测电阻R2
电压表V(量程为1.5V,内阻很大) 电阻箱R(0~99.99Ω)
单刀单掷开关S1 单刀双掷开关S2 导线若干
(1)先测电阻R1的阻值。请将甲同学的操作补充完整:闭合S1,将S2切换到a,调节电阻箱,读出其示数R和对应的电压表示数U1,保持电阻箱示数不变,________________,读出电压表的示数U2。则电阻R1的表达式为Rl=________________。
(2)甲同学已经测得电阻R1=4.8Ω,继续测量电源电动势E和电阻R2的阻值。该同学的做法是:闭合S1,将S2切换到a,多次调节电阻箱,读出多组电阻箱示数R和对应的电压表示数U,由测得的数据,绘出了如图所示的
图线,则电源电动势E=________________V,,电阻R2=________________Ω。(结果保留小数点后两位)
(3)请用笔画线,将实物图连接好。
参考答案:(1)将S2切换到b,
;(2)
,
;(3)如图所示。
本题解析:(1)闭合S1,将S2切换到a,电压表测电阻箱的电压;将S2切换到b,电压表测电阻箱和待测电阻R1总的电压,串联电路中
,故
。
(2)闭合S1,将S2切换到a,电压表测电阻箱的电压,由
整理得:
,可知图像的截距
,故电源电动势
;图像的斜率
,故
。
(3)实物电路图如右图所示。连接实物图需注意:①尽量保持导线的连接状况与原理图一致;②保证电流从电表的正接线柱流入;③各条连线不能相互交叉。
考点:
本题难度:一般