时间:2018-03-18 09:45:49
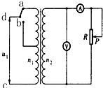
1、选择题 如图所示,理想变压器原、副线圈的匝数比为10:1,b是原线圈的中心接头,电压表V和电流表A均为理想电表.从某时刻开始在原线圈c、d两端加上交变电压,其瞬时值表达式为u=220
sin100πt(V).下列说法正确的是( )
A.当单刀双掷开关与a连接时,电压表的示数为22
V
B.当单刀双掷开关与b连接时,电压表的示数为11V
C.当单刀双掷开关与a连接,滑动变阻器触头P向上移动的过程中,电压表的示数不变,电流表的示数变大
D.单刀掷开关由a扳向b时(滑动变阻器触头P不动),电压表和电流表的示数均变大
参考答案:D
本题解析:
本题难度:简单
2、选择题 有一个理想变压器,原线圈1200匝,副线圈400匝,现在副线圈上接一个变阻器R(电表为理想电表),如图所示,在接通交流电源后,则下列说法中正确的是
[? ]
A. 安培表A1与A2的示数之比为3:1
B. 伏特表V1与 V2的示数之比为3:1
C. 当变阻器滑动头向下移动时,原线圈的输入功率将减小
D. 原、副线圈的电功率之比为3:1
参考答案:BC
本题解析:
本题难度:一般
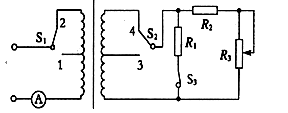
3、选择题 有一电路连接如图所示,理想变压器初级线圈接电压一定的交流电源,则下列说法中正确的是:
A.只将S1从2拨向1时,电流表示数变小
B.只将S2从4拨向3时,电流表示数变小
C.只将S3从断开变为闭合,变压器的输入功率减小
D.只将变阻器R3的滑动触头上移,变压器的输入功
率减小
参考答案:BD
本题解析:S1从2拨向1,输出电压不变,由于输出功率由副线圈决定,副线圈两端电压增大,消耗功率增大,所以电流表示数增大。将S2从4拨向3,副线圈两端电压减小,消耗功率减小,所以电流减小。S2断开变压器输出功率为0,闭合后输出功率增大。将变阻器R3的滑动触头上移,副线圈总电阻增大,总电流减小,副线圈两端电压一定,所以输出功率减小,所以电流减小。所以选BD。
本题难度:一般
4、简答题 如图,交流发电机电动势的有效值E=20V,内阻不计算,它通过一个R=6Ω的指示灯炮连接降压变压器,变压器的输出端并联24只彩色小灯泡,每只灯泡标有“6V,0.25W”,灯泡都正常发光,导线电阻不计算,求:
(1)降压变压器原、副线圈匝数比:
(2)发电机的输出功率.
参考答案:(1)彩色小灯额定电流I=PU=124A
所以副线圈电流I2=24I=1A
变压器的输入功率为P1=P2=24×0.25=6W
而U1+I1R=E
所以I1=13A,U1=18V,而U2=6V
∴根据变压器变压比n1n2=U1U2=186=31
(2)输入功率等于输出功率,即P=EI1=20×13=203W
所以发电机的输出功率为6W
答:(1)降压变压器初级、次级线圈的匝数比为3:1;
(2)发电机的输出功率为203W;
本题解析:
本题难度:一般
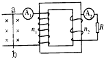
5、选择题 如图所示,理想变压器原副线圈匝数比n1:n2=4:1,当导体棒向ab右匀速切割磁感线时,电流表A1的读数为2mA,则副线圈中电流表A2的读数为( )
A.3mA
B.8mA
C.0
D.与R阻值有关
参考答案:导体棒向右匀速切割磁感线时,根据公式E=BLv,产生恒定的感应电动势;
变压器工作原理是互感现象,由于变压器输入的是恒定电流,不会发生电磁感应现象,故输出电压为零;
故选:C.
本题解析:
本题难度:一般