时间:2018-03-18 09:45:49
1、选择题 如图所示,理想变压器原、副线圈匝数之比为4:1,原线圈接入电压U=220
| 2 |
| 1 100π |
| 2 |

2、选择题 如图所示,导线AB可在平行导轨MN上滑动,接触良好,轨道电阻不计,电流计中有如图所示方向感应电流通过时,AB的运动情况是( )
A.向右加速运动
B.向右减速运动
C.向右匀速运动
D.向左减速运动
3、选择题 某变压器原、副线圈匝数比为55:9,原线圈所接电源电压按图示规律变化,副线圈接有负载.下列判断正确的是( )
A.变压器输出电压的最大值为36
| 2 |

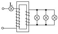
4、选择题 如图所示,一理想变压器初次级线圈的匝数比为3∶1,次级接三个相同的灯泡,均能正常发光,初级线圈中串有一个相同的灯泡L,则 ( )
.
A.灯L也能正常发光
B.灯L比另三灯都暗
C.灯L将会被烧坏
D.不能确定
5、选择题 如图所示,理想变压器的原线圈接入u=11 000
sin100πt(V)的交变电压,副线圈通过电阻r=6 Ω的导线对“220 V/880 W”的电器RL供电,该电器正常工作。由此可知
A.原、副线圈的匝数比为50∶1
B.交变电压的频率为100 Hz
C.副线圈中电流的有效值为4 A
D.变压器的输入功率为880 W