高中物理知识点复习《静电现象》考点预测(2017年强化版)(三)

时间:2017-08-25 12:13:31

微信搜索关注"91考试网"公众号,领30元,获取事业编教师公务员等考试资料40G

1、填空题  如图所示,在“测定电池的电动势和内电阻”的实验中:
91考试网
(1)请你不改动已接导线,在(甲)图中把还需要连接的导线补上.
(2)说明闭合电键前,应使变阻器滑片处在______位置上.测得该电源的伏安特性曲线如图(乙)所示,则纵坐标表示的是该电路的______电压,
(3)该电源的电动势为______V,比真实值______;(填偏大或偏小或相等);内电阻为______Ω.比真实值______;(填偏大或偏小或相等).


参考答案:
91考试网
(1)本实验采用电流表限流接法,电流表接在电压表内部,即电压表应并联在电源两端;故电路如图所示;
(2)为了保证实验的安全,在实验开始时应将滑动变阻器接入电阻达最大,即应将滑片移到最左侧;
因电压表测出的为电源的路端电压,由欧姆定律可知U=E-Ir,即纵坐标显示的是电源的路端电压;
(3)由上式可知,图象与纵坐标的交点为电源的电动势,故E=1.8V;
内阻为r=1.8-0.80.7=1.43Ω;
因该接法中由于电压表的分流而导致电流表示数偏小,但电压表是准确的,故图象比真实图象要向上偏,同时,当电路短路时,电压表的分流是可以忽略的,故短路电流是准确的,故图象与横轴的交点不变,如图所示,故所测电动势小于真实值;内阻也小于真实值;
故答案为;(1)如图所示;(2)最大值;路端电压;(3)1.8;偏小;1.43;偏小.

91考试网


本题解析:


本题难度:一般



2、简答题  做测量一只蓄电池(电动势约为2.2V,内阻很小)的电动势和内阻的实验时,备有下列器材供选用:
A、定值电阻(阻值R1=1Ω,额定功率约为5W)
B、定值电阻(阻值R2=100Ω,额定功率约10W)
C、直流电流表(量程0~0.6A~3A,内阻可以忽略)
D、直流电压表(量程0~3V~15V,内阻较大)
E、滑动变阻器(阻值范围0~10Ω)
F、滑动变阻器(阻值范围0~1000Ω)
G、电键
H、导线若干
(1)为防止电源短路,用作保护电阻的定值电阻选用______(填“A”或“B”)
(2)实验时选取合适的器材组成电路,将电压表并联在滑动变阻器两端,根据实验记录,将测量数据描点如图所示,请在图上做出相应图象,则蓄电池的电动势E=______V,内阻r=______Ω(结果均保留三位有效数字)


参考答案:(1)为保护电路安全,保护电阻选择A即可,如果选B,由于B的阻值较大,电路电流太小,不易于电表读数.
(2)根据坐标系内描出的点作出电源的U-I图象,图象如图所示;
由图象可知,图象与纵轴的交点坐标值是2.20,则电源电动势为:
E=2.20V,
图象斜率的绝对值:k=△U△I=2.2-1.00.76=1.58,
则电源内阻:r=k-R1=1.58-1=0.580Ω.
故答案为:(1)A;(2)如图,2.20,0.580


本题解析:


本题难度:一般



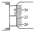
3、简答题  如图是一个多用表的刻度盘,当多用表选择开关置于直流“30mA”档时,测出的电流为______A;当选择开关置于直流“15V”档时,测出的电压为______V.91考试网


参考答案:当多用表选择开关置于直流“30mA”档时,测出的电流为20.0mA=0.020A;当选择开关置于直流“15V”档时,测出的电压为10.0V.
故答案为:0.020;10.0.


本题解析:


本题难度:一般



4、实验题  (1)使用多用电表粗测某一电阻,选择开关置于电阻×100档;多用电表的示数如图所示,则粗测电阻值为_____________Ω。
(2)如图是多用表的刻度盘,当选用量程为50mA的电流档测量电流时,表针仍指于图示位置,则所测电流为_____________mA。
(3)如果要用此多用表测量一个约2.0×104Ω的电阻,为了使测量比较精确,应选的欧姆档是_____________(选填“×10”、“×100”或“×1K”)。换档结束后,实验操作首先要进行的步骤是__________________________。


参考答案:(1)1500
(2)30.9
(3)×1K,重新进行欧姆挡调零


本题解析:


本题难度:一般



5、实验题  实验室进了一批低电阻的电磁螺线管,已知螺线管使用的金属丝电阻率ρ=l.7×10-8 Ω·m。课外活动小组的同学们设计了一个实验来测算螺线管使用的金属丝长度,他们选择了多用电表、电流表、电压表、开关、滑动变阻器、螺旋测微器(千分尺)、导线和学生电源等。
(1)他们使用多用电表粗测金属丝的电阻,操作过程分以下三个步骤:(请填写第②步操作)
①将红、黑表笔分别插入多用电表的“+”“一”插孔,选择电阻挡“×1”;
②____________________________________________________________________;
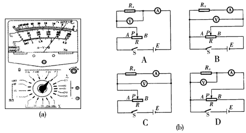
③把红、黑表笔分别与螺线管金属丝的两端相接,多用电表的示数如图(a)所示。

(2)根据多用电表示数,为了减少实验误差,并在实验中获得较大的电压调节范围,应从图(b)的A、B、C、D四个电路中选择___________电路来测量金属丝电阻。
(3)他们使用千分尺测量金属丝的直径,示数如图所示,则金属丝的直径为___________mm。

(4)根据多用电表测得的金属丝电阻值,可估算出绕制这个螺线管所用金属丝的长度约为___________m。(结果保留两位有效数字)
(5)他们正确连接电路,接通电源后,调节滑动变阻器,发现电流表始终无示数。请设计 一种方案,利用多用电表检查电路故障并写出判断依据(只需写出简要步骤): __________________________________。


参考答案:(1)将红、黑表笔短接,调整调零旋钮调零
(2)D
(3)0.260(0.258~0.262均可)
(4)12或13
(5)以下两种解答都正确:
①使用多用电表的电压挡位,接通电源,逐个测量各元件、导线上的电压,若电压等于电源电压,说明该元件或导线出现断路故障;
②使用多用电表的电阻挡位,断开电路或拆下元件、导线,逐个测量各元件、导线上的电阻,若电阻为无穷大,说明该元件或导线断路


本题解析:


本题难度:困难




首页 上页 2 3 4 下页 尾页 3/10/10
微信搜索关注"91考试网"公众号,领30元,获取公务员事业编教师考试资料40G
【省市县地区导航】【考试题库导航】
 ★ 高考省级导航 ★ 
全国 A安徽 B北京 C重庆 F福建 G广东 广西 甘肃 贵州 H河南 河北 湖南 湖北 黑龙江 海南 J江苏 江西 吉林 L辽宁 N内蒙古 宁夏 Q青海 S山东 山西 陕西 四川 上海 T天津 X新疆 西藏 Y云南 Z浙江
 ★ 高考信息汇总 ★ 
 ★ 高考历年真题 ★ 
 ★ 高考历年真题 ★ 
 ★ 高考题库 ★ 
 ★ 高考题库 ★ 

电脑版  |  手机版  |  返回顶部