时间:2019-06-28 13:54:58
1、单选题 沉积岩的两大特点?
[?]
A.有气孔、 分层
B.有气孔、硬度大
C.含化石、松散
D.分层、有化石
参考答案:D
本题解析:
本题难度:简单
2、单选题 下图为厄瓜多尔某山顶湖泊的景观图片,读图完成下列问题。
【小题1】形成图中地貌的地质作用是( )
A.冰川侵蚀
B.褶皱隆起
C.岩浆喷发
D.断裂下陷
【小题2】该地岩石在地球表层可转化为( )
A.侵入岩
B.喷出岩
C.沉积岩
D.变质岩
参考答案:
【小题1】C
【小题2】C
本题解析:
【小题1】仔细理解题干含义“山顶”湖泊的景观图片;由于该湖泊位于山顶部位,冰川侵蚀一般发生于山地雪线以下,故排除选项A;该景观图片是湖泊,不可能是褶皱隆起,故排除选项B;断裂下陷会造成湖泊水沿断裂线下渗流失,不会积水成湖,故排除选项D;在岩浆喷发的火山口部位,往往积水成湖,故选项C正确。
【小题2】认真审题,注意关键词“在地球表层”、“ 可转化为”;由于该湖泊位于岩浆喷发的火山口部位,所以该地岩石应当属于岩浆岩中的喷出岩;岩浆岩转化为变质岩必须经过高温、高压的变质作用,不能够在地球表层转化;岩浆岩经过风化、侵蚀、搬运、固结成岩作用可以在地球表层可转化沉积岩;故选项C正确。
考点:本题考查地表形态变化的内、外力因素、地壳物质循环。
本题难度:一般
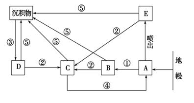
3、单选题 读岩石圈物质循环示意图,回答题。
小题1:图中B、D代表的岩石分别是( )
A.侵入型岩浆岩、沉积岩?B.沉积岩、侵入型岩浆岩
C.变质岩、喷出型岩浆岩?D.沉积岩、变质岩
小题2:图中②表示的是( )
A.外力作用
B.变质作用
C.上升冷却凝固作用
D.重熔再生作用
参考答案:
小题1:A
小题2:B
本题解析:
小题1:根据图中的信息判断:A表示来自地幔的岩浆,岩浆喷出地表后会形成喷出岩E;而岩浆如果侵入地下则形成侵入型岩浆岩B;沉积物经固结成岩作用后会形成沉积岩D;沉积岩又会经外力作用形成沉积物。
小题2:结合上题分析,C表示变质岩;则②表示各类岩石转变成变质岩的过程为变质作用。
点评:本题难度较低,学生只要掌握三大类岩石与岩浆之间的相互转化关系,并能结合形成三大类岩石的地质作用判断即可。
本题难度:一般
4、单选题 下图中甲处可能是
A.背斜
B.向斜
C.地垒
D.地堑
参考答案:C
本题解析:
本题考查地质构造与构造地貌。地质构造分为:皱褶(背斜、向斜)和断层。皱褶形成的地形一般为:背斜成山;向斜成谷。倒置的地形:背斜顶部受到张力被侵蚀成谷地;向斜槽部受挤压岩性坚硬不易被侵蚀反而成山岭。断层上升岩块成山岭或高地(华山、庐山、泰山),下降岩块(地堑)成谷地或低地(渭河平原、汾河谷地)。图中甲处为断层上升形成的地垒。所以本题选择C选项。
本题难度:简单
5、单选题 读欧洲第四纪冰川分布图,回答下面问题。
【小题1】影响欧洲第四纪大陆冰川南侧边界走向的主要因素是( )
A.纬度
B.海陆位置
C.洋流
D.地形
【小题2】图中A半岛西岸有大量峡湾地貌,其形成的主要外力作用是( )
A.海浪侵蚀
B.冰川侵蚀
C.流水侵蚀
D.冰川堆积
参考答案:
【小题1】A
【小题2】B
本题解析:
【小题1】由图中看到,欧洲第四纪大陆冰川边界在南侧的走向是东西走向(与纬线平行),是由于纬度不同获得太阳辐射的热量不同的原因。所以A对,东西走向并不是海陆位置不同(水分原因),洋流只能影响沿海地区,还是西欧的地形是平原,东西相差不大,故B、C、D错误。正确答案是A。
【小题2】A半岛属于斯堪的纳维亚半岛,纬度高,气候寒冷,冰川广布,所以应该是冰川作用,排除A、C,峡湾地貌形状各异,大小不一,主要是受侵蚀作用而不堆积作用。正确答案是B。
考点:本题主要考查是地质作用。
本题难度:一般