时间:2017-08-08 05:17:25
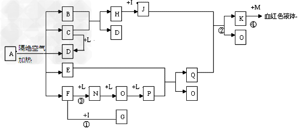
1、推断题 已知A为一无机盐,C、D、F、N、O为无色气体,E常温常压下为无色无味的液体,N、H、L为高中常见的单质,I为常见无氧强酸,M的焰色反应为紫色,反应①常用于气体F的检验。? 
(1)写出G的电子式_______________,M的化学式_____________;
(2)写出反应②的离子反应方程式______________________________;
(3)写出反应③的化学反应方程式________________________;反应
中属于非氧化还原反应的是_________?;
(4)用石墨电极电解溶液K时,电解初始阶段电极反应方程式为:
阴极_______________________ 阳极____________________
(5)已知A在隔绝空气条件下分解产生的各产物的物质的量之比为B:C:D:E:F=1:2:2:2:2,写出A分解的反应方程式______________________
2、选择题 下表所列各组物质中,物质之间通过一步反应就能实现如图所示转化的是( )
| 物质 编号 | 物质转化关系 | 甲 | 乙 | 丙 | 丁 ① | ![]() Cu CuO CuCl2 Cu(NO3)2 ② Na2CO3 NaOH NaHCO3 CO2 ③ (NH4)2SO3 CaSO3 SO2 NH4HSO3 ④ Al(OH)3 Al2O3 Na[Al(OH)4] AlCl3 |
3、填空题 如图物质的转化关系中,A是一种固体单质,E是一种白色沉淀.据图填写.
(1)B的化学式是______
(2)B和NaOH溶液反应的离子方程式是______
(3)C和过量盐酸反应的离子方程式是______
(4)B→A反应的化学方程式______.
4、推断题 A、B、C、D、E是五种中学化学常见的单质,已知A、B、C、D在常温下均为气态,A为黄绿色,E为金属。其中D 能分别跟A、B、C在一定条件下化合,生成对应的化合物X、Y、Z,其中常温下,Y为液体,X、Z为气体。有关的转化关系如图所示(反应条件均已略去)。回答下列问题
(1)A的化学式为_________。
(2)写出反应③的化学方程式_________________。
(3)Z和W在催化剂作用下反应生成C和Y,这是一个很有实际意义的反应,可以消除W对环境的污染,该反应的化学方程式为______________________。
(4)将过量的E加到N的稀溶液中,若过程中转移电子的数目为3. 01×1023,则参加反应的E的质量为____________g。
5、推断题 有X、Y、Z三种元素,已知:
①X2-、Y-均与Y的气态氢化物分子具有相同的电子数
②Z与Y可组成化合物ZY3,ZY3溶液遇苯酚呈紫色。
请回答:
(1)Y的最高价氧化物对应水化物的化学式是________。
(2)将ZY3溶液滴入沸水可得到红褐色液体,反应的离子方程式是______________________。此液体具有的性质是________(填写序号字母)。
a.光束通过该液体时形成光亮的“通路”
b.插入电极通直流电后,有一极附近液体颜色加深
c.向该液体中加入硝酸银溶液,无沉淀产生
d.将该液体加热、蒸干、灼烧后,有氧化物生成