时间:2017-08-09 09:07:20
1、选择题 下列关于感应电动势大小的说法中,正确的是
[? ]
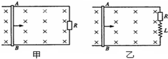
2、选择题 如8,甲、乙两8为与匀强磁场垂直放置4两个金属框架,乙8除了一个电阻为零、自感系数为L4线圈外,其他部分与甲8都相同,导体AB以相同4加速度向右做匀加速直线运动.若导体AB通过4位移相同,则( )
A.甲图中外力做功多
B.两图中外力做功相同
C.乙图中外力做功多
D.无法判断
3、选择题 下列说法正确的是
[? ]
A. 法拉第通过实验研究,总结出了电磁感应的规律
B. 赫兹预言了电磁波的存在
C. 牛顿通过扭秤实验,较准确地测出了万有引力常量
D. 安培通过实验,首先发现了电流周围存在磁场
4、选择题 下列叙述正确的是
A.经典力学理论普遍适用,大到天体,小到微观粒子均适用.
B.法拉第把引起电流的原因概括为五类,包括变化的电流、变化的磁场、运动的恒定电流、运动的磁铁、在磁场中运动的导体
C.物理学中用到大量的科学研究方法,在建立“合力与分力”“质点”“电场强度”物理概念时,都用到了“等效替代”的方法
D.机场、车站和重要活动场所的安检门可以探测人身携带的金属物品是利用自感现象
5、选择题 一个单匝线圈放在磁场中,下列的几种说法正确的是
[? ]
A.闭合线圈中磁通量变化越大,线圈中产生的感应电动势一定越大
B.闭合线圈中磁通量越大,线圈中产生的感应电动势一定越大
C.闭合线圈放在磁场越强的位置,线圈中的感应电动势越大
D.闭合线圈中磁通量变化越快,线圈中的感应电动势一定越大