时间:2017-08-09 09:07:20
1、选择题 处于竖直向上匀强磁场中的两根电阻不计的平行金属导轨,下端连一电阻R,导轨与水平面之间的夹角为θ.一电阻可忽略的金属棒ab,开始时固定在两导轨上某位置,棒与导轨垂直.如下图所示,现释放金属棒让其由静止开始沿轨道平面下滑.就导轨光滑和粗糙两种情况比较,当两次下滑的位移相同时,则有( ).
A.通过电阻R的电荷量相同
B.机械能的变化量相同
C.磁通量的变化率相同
D.产生的焦耳热相同
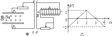
2、选择题 等离子气流由左方连续以v0射入Pl和P2两板间的匀强磁场中,ab直导线与Pl、P2相连接,线圈A与直导线cd连接.线圈A?内有随图乙所示的变化磁场.且磁场B?的正方向规定为向左,如图甲所示,则下列说法正确的是( )
A.0~ls内ab、cd导线互相排斥
B.1~2s内ab、cd导线互相排斥
C.2~3s内ab、cd导线互相排斥
D.3~4s内ab、cd导线互相排斥
3、填空题 穿过单匝线圈的磁通量在一个周期内的变化情况如图所示,则此线圈中感应电动势的最大值为 V,最小值为 V,1s末的瞬时值为 V,有效值为 V。
4、计算题 (9分)如图所示,线圈匝数n=100匝,面积S=50cm2,线圈总电阻r=10Ω,外电路总电阻R=40Ω,沿轴向匀强磁场的磁感应强度的变化率为5T/s,求:
(1)磁通量的变化率为多少?
(2)感应电流大小为多少?
5、选择题 (文)、用图示装置进行电磁感应实验,下列操作不能形成感应电流的是
A.电键闭合和断开的瞬间
B.电键闭合,移动滑动变阻器的滑动触头
C.电键闭合后线圈A在B中插入或拔出
D.只电键保持闭合