时间:2017-08-08 08:36:25
1、简答题  如图所示,边长为L的正方形线?圈abcd的匝数为n,线圈电阻为r,外电路的电阻为R,磁感应强度为B,电压表为理想交流电压表.现在线圈以角速度ω绕垂直于磁感线的对称轴OO′匀速转动,从线圈平面与磁感线平行开始计时.试求:
(1)闭合电路中电流瞬时值的表达式;?
(2)电压表的示数?
(3)线圈从t=0开始,转过900的过程中,电阻R上通过的电荷量.
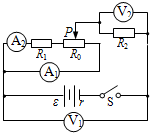
2、选择题  如图所示电路中,闭合电键S,当滑动变阻器的滑臂P由变阻器的右端向左滑动的过程中,下列说法中正确的有:(已知:电源的内阻r>R2,电阻R1的阻值小于滑动变阻器R0的最大阻值,电压表和电流表均为理想电表)(  )
A.V1的示数先变大后变小,V2的示数先变小后变大
B.R2上消耗的功率先变小后变大
C.电源的输出功率先变小后变大
D.A1的示数不断变大,A2的示数不断变小
3、简答题  如图所示电路,图中的电压表和电流表都是理想的电表,电阻R1=10Ω,R2=3Ω,R3=2Ω.保持S1闭合,开关S2接通和断开时电源的总功率之比是9:5.求:
(1)电源的内电阻.
(2)开关S2接通和断开时电压表的示数之比.
(3)开关S2接通和断开时电流表的示数之比.
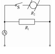
4、选择题  (2011·镇江模拟)如图所示,电阻R1="20" Ω,电动机绕线电阻R2="10" Ω,当电键S断开时,电流表的示数是I1="0.5" A;当电键S合上后,电动机转动起来,电路两端的电压不变,此时电流表的示数I和电路消耗的电功率P应满足(? )
A.I="1.5" A
B.I<1.5 A
C.P="15" W
D.P<15 W
5、选择题  如图所示的电路,闭合开关S,当滑动变阻器滑片P向左移动时,下列说法正确的是(  )
A.电流表读数变小,电压表读数变大
B.电容器C上电荷量减小
C.小电泡L变暗
D.电源的总功率变大