时间:2017-08-07 16:24:37
1、选择题  关于电源电动势,下列说法正确的是(   )
A.电源电动势就是接在电源两极间的电压表的示数
B.电源的电动势是表示电源把其他形式的能量转化为电能的本领大小的物理量
C.同一电源接入不同的电路,电动势就会发生改变
D.电源电动势与外电路有关
参考答案:B
本题解析:电源正、负极之间的电势差为电源的路端电压,只有当电源处于断路状态时,电源的电动势才等于路端电压,即电源两极间电压表的示数,故A错误
电源电动势反映电源将其他形式能量转化为电能的本领大小,故B正确
电动势是一个表征电源特征的物理量.是电源将其它形式的能转化为电能的本领,接入不同电路电动势不变,故电动势与外电路无关,所以CD错误
则应该选B
本题难度:一般
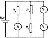
2、选择题  在如图所示的电路中,电池的电动势为E,内阻为r,R1为金属电阻、R2为光敏电阻、R3为热敏电阻.设电流表A的读数为I,电压表V1的读数为U1,电压表V2的读数为U2,三个电阻中仅有一个电阻的阻值发生变化,则下面的分析正确的是(  )
A.给R1升温,I变小,U1变小
B.用光照R2,I变小,U2变大
C.给R3降温,I变大,U1变大
D.给R1降温,I变小,U1变小
参考答案:A、D,R1为金属电阻.给R1升温,R1大,外电路总电阻增大,干路电流减小,电源的内电压减小,路端电压增大,则通过R2和R3这条支路的电流增大,则I变小,U1变大,相反,给R1降温,I变大,U1变小.故AD错误.
B、R2为光敏电阻,用光照R2,R2减小,外电路总电阻减小,干路电流增大,电源的内电压增大,路端电压减小,则I变小,通过R2和R3这条支路的电流增大,U2变大,故B正确.
C、R3为热敏电阻,给R3降温,R3增大,外电路总电阻增大,干路电流减小,电源的内电压减小,路端电压增大,则I变大,通过R2和R3这条支路的电流减小,U1变小,故C错误.
故选B
本题解析:
本题难度:简单
3、简答题  如图所示的电路中,电阻R1=R2=R3=10Ω,电源内阻r=5Ω,电压表可视为理想电表.当开关S1和S2均闭合时,电压表的示数为10V.
求:(1)路端电压为多大?
(2)电源的电动势为多大?
(3)当开关S1闭合而S2断开时,电压表的示数变为多大?
参考答案:(1)开关S1和S2均闭合时,电阻R1与R3并联后与R2串联,外电路总电阻为
? R=R2+12R1=15Ω
由U2R2=UR得,U=RR2U2=1510×10=15V
(2)设电源的电动势为E,则有
ER+r=U2R2
解得,E=20V
(3)当开关S1闭合而S2断开时,R1与接在电源两端,电压表的读数等于R1的电压,电压表的示数变为U2′=R1R1+rE=1010+5×20V=16V
答:
(1)路端电压为是15V.
(2)电源的电动势为20V.
(3)当开关S1闭合而S2断开时,电压表的示数变为16V.
本题解析:
本题难度:一般
4、选择题  现在手机屏幕流行电阻屏与电容屏,电阻屏使用时利用压力使上下电极导通,通过改变面板电压来输入信息。电容屏使用时利用接触物与触摸屏作为电容的两极使它们之间形成一个电场,通过改变接触点与触摸屏四个角之间电容来输入信息,则(  )
A.电容屏和电阻屏的触摸屏顶部都必须是柔软的
B.手机贴膜必须是导电的
C.普通的塑料手写笔无法使用于电容屏手机
D.戴着一般手套仍能轻松直接使用电容屏手机
参考答案:C
本题解析:由题意知,电阻屏需要柔软的,电容屏需要能改变电容的,ABD错误;C正确。
本题难度:简单
5、选择题  实验得到R1、R2两个电阻的伏安特性曲线如图,由图可知两个电阻大小之比R1∶R2为
A. ∶1
∶1
B.1∶
C.1∶3
D.3∶1
参考答案:C
本题解析:图线斜率表示 ,则
,则 ,C对。
,C对。
本题难度:简单