时间:2017-08-05 17:52:27
1、简答题  如图Ox、Oy、Oz为相互垂直的坐标轴,Oy轴为竖直方向,整个空间存在竖直向下的匀强磁场,磁感应强度大小为B.现有一质量为
、电量为q的小球从坐标原点O以速度v0沿Ox轴正方向抛出(不计空气阻力,重力加速度为g).求:
(1)若在整个空间加一匀强电场E1,使小球在xOz平面内做匀速圆周运动,求场强E1和小球运动的轨道半径;
(2)若在整个空间加一匀强电场E2,使小球沿Ox轴做匀速直线运动,求E2的大小;
(3)若在整个空间加一沿y轴正方向的匀强电场,求该小球从坐标原点O抛出后,经过y轴时的坐标y和动能Ek;
参考答案:(1)
?(2)
(3)

本题解析:(1)由于小球在磁场中做匀速圆周运动,设轨道半径为r,则?
?解得?
?
方向沿y轴正向?
?解得?
?
(2) 小球做匀速直线运动,受力平衡,则
?
解得?
?
(3)小球在复合场中做螺旋运动,可以分解成水平面内的匀速圆周运动和沿y轴方向的匀加速运动.
做匀加速运动的加速度?
?
从原点O到经过y轴时经历的时间?
?
?
解得?
?
?
由动能定理得?
?
解得?
?
本题难度:一般
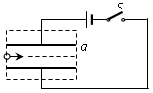
2、选择题  如图所示,一个平行板电容器放在图中虚线框所示矩形区域的匀强磁场中,磁场方向垂直于纸面且与板面平行,金属板a与电源的正极相连。一个不计重力的带正电粒子以初动能E从左向右水平进入平行板中,并沿直线穿过两板区域。则下列说法正确的是

[? ]
参考答案:AC
本题解析:
本题难度:一般
3、选择题  如图所示,水平放置的平行金属板充电后板间形成匀强电场,板间距离为d,一个带负电的液滴带电量大小为q,质量为m,从下板边缘射入电场,沿直线从上板边缘射出,则
A.液滴做的是匀速直线运动
B.液滴做的是匀减直线运动
C.两板间电压为
D.液滴的电势能减少了mgd
第Ⅱ卷(共62分)
参考答案:ACD
本题解析:液滴进入竖直方向的匀强电场中,所受的电场力方向竖直向上或竖直向下,因为微粒做直线运动,可知,电场力方向必定竖直向上,而且电场力与重力平衡, 液滴做匀速直线运动.故A正确,B错误;液滴从上极板运动到下极板的过程中,由动能定理有qU-mgd=0,
,故C正确;重力做功-mgd,微粒的重力势能增加,动能不变,根据能量守恒定律得知,微粒的电势能减小了mgd.故D正确.
本题难度:一般
4、计算题  (15分)如图所示,一质量为m、电荷量为q的带正电的小球以水平初速度v0从离地高为h的地方做平抛运动,落地点为N,不计空气阻力,求:
(1)若在空间加一个竖直方向的匀强电场,使小球沿水平方向做匀速直线运动,则场强E为多大?
(2)若在空间再加上一个垂直于纸面向外的匀强磁场,小球的落地点仍为N,则磁感应强度B为多大? 
参考答案:(1)
(2)
本题解析:(1)由于小球受电场力和重力且做匀速直线运动,故qE=mg,所以E=。 
(2)再加上匀强磁场后,由于重力与电场力平衡,故小球在洛伦兹力作用下做匀速圆周运动 
,
?
由几何关系得:R2-x2=(R-h)2?
其中x=v0t=v0
,由以上几式解得:
.
本题难度:一般
5、选择题  如右图所示,距水平地面高度为3h处有一竖直向上的匀强磁场,磁感应强度大小为B,从距地面4h高处的A点以初速度v0水平抛出一带电小球(可视作质点),带电小球电量为q,质量为m,若q、m、h、B满足关系式
,则小球落点与抛出点A的水平位移S是                                                        (    )
A.
B.
C.
D.
参考答案:B
本题解析:小球在磁场中的运动可以看作一个水平方向的圆周运动和一个竖直方向的匀加速运动。在磁场中运动一周的时间为T,则
,在磁场中的运动总时间
又因为已知:
,所以小球在磁场中做圆周运动的圈数
,又因为圆周运动的半径
。投影图如右图所示:
则
,
本题难度:一般