时间:2017-08-05 17:47:37
1、选择题  下列现象中,属于电磁感应现象的是(?)
A.磁场对电流产生力的作用
B.变化的磁场使闭合电路产生感应电流
C.电饭锅的工作原理
D.电流周围产生磁场
参考答案:B
本题解析:A.磁场对电流的作用是电流的磁效应,故本选项错;
B.变化的磁场使闭合电路产生感应电流,这是磁生电的现象,属于电磁感应,本选项正确;
C.电饭锅的工作原理是电流的热效应,本选项错误;
D.电流周围产生磁场是电流的磁效应,本选项错。
故答案选B
本题难度:简单
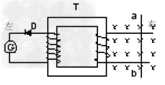
2、选择题  如图(俯视图)所示,T是绕有两组线圈的闭合铁芯,D是理想的二极管,金属棒ab可在两条平行的金属导轨上沿导轨滑行,磁场方向垂直纸面向里,若电流计G中有电流通过,则ab棒的运动可能是(除ab棒有电阻外其余部分无电阻)
[? ]
A.向左匀速运动? 
B.向右匀速运动
C.向左匀加速运动? 
D.向右匀加速运动
参考答案:C
本题解析:
本题难度:一般
3、选择题  将硬导线中间一段折成不封闭的正方形每边长为L,它在磁感应强度为B、方向向里的匀强磁场中匀速转动,转速为n.导线在a、b两处通过电刷与外电路连接,外电路有额定功率P的小灯泡能正常发光.电路中其余部分电阻不计.则灯泡电阻以及如图位置开始转动90°过程通过灯泡电流方向为(? ) 
A.2(πL2nB)2/P,电流由右到左
B.(2πL2nB)2/P,电流由左到右?
C.(L2nB)2/P,电流由右到左?
D.(L2nB)2/2P,电流由左到右?
参考答案:A
本题解析:解答本题的关键是掌握住最大感应电动势的计算方法.根据最大感应电动势 可得,最大感应电动势为
可得,最大感应电动势为  ,所以电动势的有效值为
,所以电动势的有效值为 ,由
,由 可得,灯泡的电阻
可得,灯泡的电阻 ,又
,又 , 所以可得:
, 所以可得: ;从图示位置开始转动90°过程中,穿过回路的磁通量减小,由楞次定律知,回路中产生的感应电流的磁场垂直纸面向里,再根据右手螺旋定则得,通过灯泡电流方向为由右到左穿过灯泡.故A正确.
;从图示位置开始转动90°过程中,穿过回路的磁通量减小,由楞次定律知,回路中产生的感应电流的磁场垂直纸面向里,再根据右手螺旋定则得,通过灯泡电流方向为由右到左穿过灯泡.故A正确.
本题难度:一般
4、选择题  如图所示,水平桌面上放有一个闭合铝环,在铝环轴线上方有一个条形磁铁。当条形磁铁沿轴线竖直向下迅速移动时,下列判断正确的是
[? ]
A.铝环有收缩趋势,对桌面压力减小 
B.铝环有收缩趋势,对桌面压力增大 
C.铝环有扩张趋势,对桌面压力减小 
D.铝环有扩张趋势,对桌面压力增大 
参考答案:B
本题解析:
本题难度:一般
5、实验题  如图16所示,线圈内有理想边界的磁场,当磁场均匀增加时,有一带电粒子静止于平行板(两板水平放置)电容器中间,则此粒子带____电,若线圈的匝数为n,平行板电容器的板间距离为d,粒子的质量为m,带电量为q,则磁感应强度的变化率为____(设线圈的面积为S)。
参考答案:负;
本题解析:略
本题难度:简单