时间:2017-08-05 17:35:05
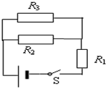
1、计算题 如图所示为检测某传感器的电路图。传感器上标有“3 V、0.9 W”的字样(传感器可看做一个纯电阻),滑动变阻器R,上标有“10Ω、1 A”的字样,电流表的量程为0.6 A,电压表的量程为3 V。
(1)根据传感器上的标注,计算该传感器的电阻和额定电流。
(2)若电路各元件均完好,检测时,为了确保电路各部分的安全,在a、b之间所加的电源电压最大值是多少?
(3)根据技术资料可知,如果传感器的电阻变化超过1Ω,则该传感器就失去了作用。实际检测时,将一个电压恒定的电源加在图中a、b之间(该电源电压小于上述所求电压的最大值),闭合开关S,通过调节R0。来改变电路中的电流和R0两端的电压。检测记录如下:
若不计检测电路对传感器电阻的影响,通过计算分析,你认为这个传感器是否仍可使用?此时a、b间所加的电压是多少?
2、计算题 有一个直流电动机,把它接入0.2V电压的电路时,电动机不转,测得流过电动机的电流是0.4A,若把它接入3V电压的电路中,电动机正常工作,工作电流是1A。求:
(1)电动机正常工作时的输出功率;
(2)如在正常工作时,转子突然被卡住,此时电动机的发热功率多大?
3、简答题 如图所示,ab=25cm、ad=20cm,匝数为50匝的矩形线圈.线圈电阻r=1Ω、外电路电阻R=9Ω,磁感应强度B=0.4T.线圈绕垂直于磁感线的OO′轴以角速度50rad/s匀速转动.求:
(1)从此位置开始计时,它的感应电动势的瞬时值表达式;
(2)1min内R上消耗的电能;
(3)外力对线圈做功的功率;
(4)线圈由如图位置转过30°的过程中,R的电量为多少?
4、填空题 浴室取暖器也就是我们常说的“浴霸”,是给浴室加热的电器,它是由几盏特殊的灯泡完成加热工作的.下面是一台浴室取暖器的说明书,上面附有电路原理图,它有两个相同的加热灯泡.
根据这个说明书可以知道,当这台取暖器的两盏灯都打开时,消耗的电功率是______W;?当只打开一盏灯时,通过取暖器的工作电流是______A.
5、选择题 先后用不同的交流电源给同一盏灯泡供电。第一次灯泡两端的电压随时间按正弦规律变化(如图甲所示);第二次灯泡两端的电压变化规律如图乙所示。若甲、乙图中的U0、T所表示的电压、周期值是相同的,则以下说法正确的是
?[? ]
A.第一次, 灯泡两端的电压有效值是U0/2
B.第二次,灯泡两端的电压有效值是3U0/2
C.第一、第二次,灯泡的电功率之比是2:9
D.第一、第二次,灯泡的电功率之比是1:58