高中物理高考知识点《电功率和电功》答题技巧(2017年最新版)(三)

时间:2017-08-05 17:33:58

微信搜索关注"91考试网"公众号,领30元,获取事业编教师公务员等考试资料40G

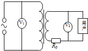
1、选择题  如图为通过理想变压器将高压电降压后供居民使用示意图,其中R0表示导线总电阻,如果用户数增加,下列说法正确的是(  )
A.电压表V1示数增大
B.电压表V2示数不变
C.电阻R0损耗功率增大
D.变压器输入功率不变
91考试网


参考答案:C


本题解析:


本题难度:简单



2、选择题  电场中电势越高的地方则有:
A.那里的电场强度越大;
B.放在那里的电荷的电势能越大;
C.放在那里的正电荷的电势能越大;
D.那里的等势面分布越密。


参考答案:C


本题解析:


本题难度:简单



3、选择题  如图所示,电路两端电压U保持不变,滑动变阻器R的全阻值与R2的阻值均为20Ω,电阻R1的阻值为5Ω.在滑动变阻器R的滑片P由a向b滑动的过程中,以下判断错误的是(  )
A.干路中电流不断增大
B.R1上消耗的电功率不断增大
C.R1上消耗的电功率不断减小
D.R2上消耗的电功率不断减小



参考答案:A、滑动变阻器R的滑片P由a向b滑动的过程中,滑动变阻器的电阻变小,总电阻变小,则总电流变大,即干路中电流不断增大,故A正确;
B、R1上消耗的电功率P1=I2R1,电流不断变大,则R1上消耗的电功率不断增大,故B正确,C错误;
D、总电流增大,R1两端的电压变大,则并联部分的电压变小,即R1两端的电压变小,根据P2=U22R2可知,R2上消耗的电功率不断减小,故D正确.
本题选错误的
故选:C


本题解析:


本题难度:一般



4、选择题  如图所示,输入电压U恒为12 V,灯泡L上标有“6 V,12 W”字样,电动机线圈的电阻RM=0.50 Ω,若灯泡恰能正常发光,下列说法正确的是(   )

A.电动机的输入功率为12 W
B.电动机的输出功率为12 W
C.电动机的热功率为2.0 W
D.整个电路消耗的电功率为22 W


参考答案:AC


本题解析:电动机两端的电压,整个电路中的电流 ,所以电动机的输入功率.故A正确;电动机的热功率,则电动机的输出功率.故B错误,C正确;整个电路消耗的功率,故D错误.
考点:考查了电功率的计算


本题难度:一般



5、选择题  一台额定电压为U的电动机,它的线圈电阻为R,正常工作时通过的电流为I,则(  )
A.电动机t秒内产生的热量Q=IUt
B.电动机t秒内产生的热量Q=I2Rt
C.电动机的输入功率为P=I2R
D.电动机的机械功率为P=

U2
R


参考答案:根据焦耳定律,电动机t秒内产生的热量为:Q=I2Rt;
根据公式W=UIt,电动机t秒内消耗的电能为:W=UIt;
根据能量守恒定律,电动机t秒内输出的机械能为:E=W-Q=UIt-I2Rt;
故电动机的机械功率为:P=Et=UI-I2R
故ACD错误,B正确;
故选:B.


本题解析:


本题难度:简单




首页 上页 2 3 4 下页 尾页 3/10/10
微信搜索关注"91考试网"公众号,领30元,获取公务员事业编教师考试资料40G
【省市县地区导航】【考试题库导航】
 ★ 高考省级导航 ★ 
全国 A安徽 B北京 C重庆 F福建 G广东 广西 甘肃 贵州 H河南 河北 湖南 湖北 黑龙江 海南 J江苏 江西 吉林 L辽宁 N内蒙古 宁夏 Q青海 S山东 山西 陕西 四川 上海 T天津 X新疆 西藏 Y云南 Z浙江
 ★ 高考信息汇总 ★ 
 ★ 高考历年真题 ★ 
 ★ 高考历年真题 ★ 
 ★ 高考题库 ★ 
 ★ 高考题库 ★ 

电脑版  |  手机版  |  返回顶部