时间:2017-08-05 17:28:03
1、填空题 如图所示,单匝线圈abcd在外力作用下以速度v向右匀速进入匀强磁场,第二次以速度2v匀速进入同一匀强磁场。第一次与第二次线圈中感应电流之比为?,回路中产生的焦耳热之比为?。
参考答案:1∶2,1∶2
本题解析:由法拉第电磁感应定律可知感应电动势之比为1:2,感应电流之比为1:2,焦耳热功率为
,运动时间之比为2:1,所以回路中产生的焦耳热之比为1:2
本题难度:简单
2、选择题 如图所示,矩形线圈与磁场垂直,且一半在匀强磁场内一半在匀强磁场外.下述过程中使线圈产生感应电流的是?( )
A.以bc为轴转动45°
B.以ad为轴转动45°
C.将线圈向下平移
D.将线圈向左平移
参考答案:BD
本题解析:
本题难度:简单
3、选择题 如图所示,磁感应强度为B的匀强磁场有理想边界,用力将矩形线圈从有边界的磁场中匀速拉出,在其他条件不变的情况下(? )
A.速度越大,拉力做功越多
B.线圈边长L1越大,拉力做功越多
C.线圈边长L2越大,拉力做功越多
D.线圈电阻越大,拉力做功越多
参考答案:ABC
本题解析:因为是匀速拉出的,所以受到的拉力等于安培力,即
,所以速度越大,拉力就越大,拉力做功
,就越大,A正确,线圈边长L1越大,拉力做功越多,B正确,线圈边长L2越大,拉力做功越多,C正确,电阻越大,做功越小,D错误,
点评:做本题的关键是求出拉力做功的表达式,根据表达式分析,千万不能将两个边的作用弄反了
本题难度:一般
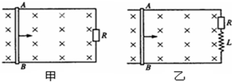
4、选择题 如图,甲、乙两图为与匀强磁场垂直放置的两个金属框架,乙图除了一个电阻为零、自感系数为L的线圈外,其他部分与甲图都相同,导体AB以相同的加速度向右做匀加速直线运动.若导体AB通过的位移相同,则( )
A.甲图中外力做功多
B.两图中外力做功相同
C.乙图中外力做功多
D.无法判断
参考答案:乙图中有线圈,要减缓电流的增加,安培力要小于甲图中的安培力,则甲图克服安培力做功大于乙图克服安培力做功,根据动能定律得,W外-W安=12mv2-0,因为导体AB以相同的加速度向右做匀加速直线运动,通过的位移相等,则末动能相等.所以甲图外力做功大于乙图外力做功.故A正确,B、C、D错误.
故选A.
本题解析:
本题难度:简单
5、计算题 如图所示,两根不计电阻的金属导线MN与PQ 放在水平面内,MN是直导线,PQ的PQ1段是直导线,Q1Q2段是弧形导线,Q2Q3段是直导线,MN、PQ1、Q2Q3相互平行。M、P间接入一个阻值R=0.25Ω的电阻。质量m=1.0 kg、不计电阻的金属棒AB能在MN、PQ上无摩擦地滑动,金属棒始终垂直于MN,整个装置处于磁感应强度B=0.5T的匀强磁场中,磁场方向竖直向下。金属棒处于位置(I)时,给金属棒一向右的初速度v1=4 m/s,同时给一方向水平向右F1=3 N的外力,使金属棒向右做匀减速直线运动;当金属棒运动到位置(Ⅱ)时,外力方向不变,改变大小,使金属棒向右做匀速直线运动2s到达位置(Ⅲ)。已知金属棒在位置(I)时,与MN、Q1Q2相接触于a、b两点,a、b的间距L1=1 m;金属棒在位置(Ⅱ)时,棒与MN、Q1Q2相接触于c、d两点;位置(I)到位置(Ⅱ)的距离为7.5 m。求:
(1)金属棒向右匀减速运动时的加速度大小;
(2)c、d两点间的距离L2;
(3)金属棒从位置(I)运动到位置(Ⅲ)的过程中,电阻R上放出的热量Q。
参考答案:解:(1)金属棒从位置(I)到位置(Ⅱ)的过程中,加速度不变,方向向左,设大小为a,在位置I时,a、b间的感应电动势为E1,感应电流为I1,受到的安培力为F安1,则
E1=BL1v1?
F安1
F安1=4 N
根据牛顿第二定律得F安1-F1 =ma
a= 1 m/s2
?(2)设金属棒在位置(Ⅱ)时速度为v2,由运动学规律得
=-2as1
v2=1 m/s
由于在(I)和(II)之间做匀减速直线运动,即加速度大小保持不变,外力F1恒定,所以AB棒受到的安培力不变即F安1=F安2
m
(3)金属棒从位置(Ⅱ)到位置(Ⅲ)的过程中,做匀速直线运动,感应电动势大小与位置(Ⅱ)时的感应电动势大小相等,安培力与位置(Ⅱ)时的安培力大小相等,所以F2= F安2=4 N
设位置(II)和(Ⅲ)之间的距离为s2,则s2=v2t=2 m
设从位置(I)到位置(Ⅱ)的过程中,外力做功为W1,从位置(Ⅱ)到位置(Ⅲ)的过程中,外力做功为W2,则
W1= F1s1=22.5 J?
W2= F2s2=8 J?
根据能量守恒得W1+ W2
解得Q = 38 J
本题解析:
本题难度:困难