时间:2017-08-05 17:24:41
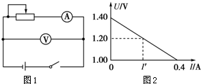
1、选择题 如图1所示的电路来测量电池电动势和内电阻,根据测得的数据作出了如图2所示的U-I图线,由图可知( )
A.电池电动势的测量值为1.40V
B.电池内阻的测量值为3.50Ω
C.外电路发生短路时的电流为0.40A
D.电压表的示数为1.20V时,电流表的示数I′=0.20A
?
2、简答题 在测定金属丝的电阻率的实验中,提供的器材除螺旋测微器、米尺、开关、和若干导线外,还有待测金属丝Rx(阻值约为5Ω左右)、电压表、多用电表、滑动变阻器、电源等.
(1)实验时,先用螺旋测微器在金属丝的三个不同位置测直径,如图甲所示为某次测量时的情况,其读数为______mm.
(2)实验时,某同学使用的是多用电表的直流档来测电流,示数如图乙所示,丙图为指针所在区域的放大图,其电流读数应为______A.
(3)用代表电压表,代表多用电表,R代表滑动变阻器,Rx代表被测金属丝等,画出实验原理图.(画在上边方框内)
(4)用能直接测量的物理量来表示金属丝的电阻率ρ.
其表达式ρ=______.
其中各量的含义为______.
3、填空题 某同学利用多用电表做了以下实验:
(1)使用多用电表测电阻,他的主要实验步骤如下
①把选择开关扳到“×100”的欧姆挡上.
②把表笔插入测试插孔中,先把两根表笔相接触,旋转欧姆调零旋钮,使指针指在电阻刻度的零位上.
③把两根表笔分别与某一待测电阻的两端相接,发现这时指针偏转较小.
④换用“×10”的欧姆档,随即记下欧姆数值.
⑤把表笔从测试笔插孔中拔出后,就把多用表放回桌上原处,实验完毕.
这个学生在测量时已注意到:待测电阻与其他元件和电源断开,不用手碰表笔的金属杆,那么这个学生在实验中有哪些操作是错误的?(三个错误)
错误一:______错误二:______错误三:______
(2)如图1所示,为多用电表的表盘,测电阻时,若用的是×100量程,这时表针所示被测电阻的阻值应为______欧;测直流电流时,用的是100mA的量程,指针所示电流值为______毫安;测直流电压时,用的是50V量程,则指表针所示的电压值为______伏.
(3)用多用电表欧姆挡(×100)测试三只晶体二极管,其结果依次如图2甲、乙、丙所示.由图2可知,图中______的二极管是好的,该二极管的正极是______端.
4、实验题
如图甲所示的电路中,1至11为连接点的标号。在开关闭合后,发现小灯泡不亮,电压表和电流表均无示 数。现用多用电表检查电路故障。
(1)为了检测滑动变阻器、小灯泡以及6根导线,在连接点1、2同时断开的情况下,应当选用多用电表的_______挡。
(2)在开关闭合情况下,多用电表选择旋钮置于“直流电压5V”挡,测得5、6两点间电压如图乙所示,则5、6两点间的电压是________V。
(3)为了尽可能准确完成探究小灯泡U-Ⅰ特性的实验,图甲电路接线图中还存在错漏,请你在图甲中补画出正确的连接线。
(4)图丙是某实验小组的同学根椐实验数据绘制而成的小灯泡的U-I特性图线。 随后他们将该小灯泡直接串接在电动势E=4.5 V,内阻r=1.5 Ω的直流电源上,则该小灯泡通电发光时的电功率约为_______W。



5、简答题 如图所示为一黑箱装置,盒内有电源、电阻元件,a、b、c为黑箱的三个输出端.为了探测黑箱,某同学进行了以下几步测量:
①用多用电表的电阻档测量a、b间的电阻;
②用多用电表的电压档测量a、c间的输出电压;
③用多用电表的电流档测量a、b间的输出电流.
你认为以上测量中不妥的有:______(填序号).