高考物理答题技巧《电功率和电功》高频考点预测(2017年最新版)(九)

时间:2017-08-05 16:58:53

微信搜索关注"91考试网"公众号,领30元,获取事业编教师公务员等考试资料40G

1、选择题  据报道,“神舟”八号飞船今年6月至8月择时发射.它是一个无人目标飞行器,为中国的空间站作对接准备,也是中国神舟系列飞船进入批量生产的代表.“神舟”飞船上的太阳能电池是依靠光伏效应设计的单晶硅太阳能电池.在正常照射下,太阳能电池的光电转换效率可达24%.单片单晶硅太阳能电池可产生0.6V的电动势,可获得0.1A的电流,则每秒照射到这种太阳能电池上的太阳光的能量是(  )
A.0.24J
B.0.25J
C.0.26J
D.0.28J



2、选择题  一只电炉的电阻丝和一台电动机线圈电阻相同,都为?r.设通过它们的电流相同(电动机正常运转),则在相同的时间内(  )
A.电炉和电动机产生的电热相等
B.电动机消耗的功率等于电炉消耗的功率
C.电炉两端电压大于电动机两端电压
D.电炉和电动机两端电压相等



3、选择题  两只相同的白炽灯泡L1和L2串联后接在电压恒定的电路中,若L1的灯丝断了,经过搭丝后(搭丝后灯泡的电阻减小)仍然与L2串联,重新接入原来的电路,假设在此过程中,灯丝电阻随温度变化的因素可忽略不计,且每只灯泡两端的电压均未超过其额定电压,则此时每只灯泡所消耗的功率与原来各自的功率相比,有

[? ]


A.L1的功率变大
B.L1的功率变小
C.L2的功率不变
D.L2的功率变小



4、选择题  如果家里的微波炉(800W)和洗衣机(400W)平均每天工作1h,电视机(100W)平均每天工作2h,则一个月的耗电量为(每月按30天计算)(  )
A.42kW?h
B.40kW?h
C.38kW?h
D.36kW?h



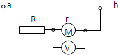
5、选择题  在如图所示的电路中,定值电阻的阻值为10Ω,电动机M的线圈电阻值为2Ω,a、b两端加有44V的恒定电压,理想电压表的示数为24V,由此可知(  )
A.通过电动机的电流为12A
B.电动机消耗的功率为48W
C.电动机线圈在1分钟内产生的热量为480J
D.电动机输出的功率为8W





首页 上页 8 9 10 下页 尾页 9/10/10
微信搜索关注"91考试网"公众号,领30元,获取公务员事业编教师考试资料40G
【省市县地区导航】【考试题库导航】
 ★ 高考省级导航 ★ 
全国 A安徽 B北京 C重庆 F福建 G广东 广西 甘肃 贵州 H河南 河北 湖南 湖北 黑龙江 海南 J江苏 江西 吉林 L辽宁 N内蒙古 宁夏 Q青海 S山东 山西 陕西 四川 上海 T天津 X新疆 西藏 Y云南 Z浙江
 ★ 高考信息汇总 ★ 
 ★ 高考历年真题 ★ 
 ★ 高考历年真题 ★ 
 ★ 高考题库 ★ 
 ★ 高考题库 ★ 

电脑版  |  手机版  |  返回顶部