时间:2017-07-27 11:38:14
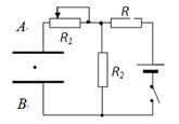
1、简答题 (选做题)如图所示,在A、B两点间接一电动势为4V,内电阻为1Ω的直流电源,电阻R1、R2、R3的阻值均为4Ω,电容器的电容为30μF,电流表的内阻不计,当电键S闭合时,求:(1)电流表的读数;(2)电容器所带的电量;(3)断开电键S后,通过R2的电量.
2、选择题 图的电路中C是平行板电容器,在S先触1后又扳到2,这时将平行板的板间距拉大一点,下列说法正确的是 (? )
A.平行板电容器两板的电势差不变
B.平行扳m电容器两板的电势差变小
C.平行板电容器两板的电势差增大
D.平行板电容器两板间的的电场强度不变
3、简答题 如图所示,D是一只二极管,它的作用是只允许电流从a流向b,不允许电流从b流向a,平行板电容器AB内部原有电荷P处于静止状态,当两极板A和B的间距稍增大一些的瞬间(两极板仍平行),P的运动情况将是______
A.仍静止不动?B.向下运动
C.向上运动?D.无法判断.
4、选择题 一平行板电容器C,极板是水平放置的,电路如图所示.闭合电键,今有一质量为m的带电油滴悬浮在两极板之间静止不动.下列说法正确的是
A.油滴带正电
B.要使油滴上升,可增大滑动变阻器R1的阻值
C.只增大两极板间的距离,油滴将向下加速
D.只将平行板电容器上极板向右平移少许,带电液滴将加速上升
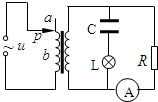
5、选择题 如图所示,一理想变压器原线圈可通过滑动触头P的移动改变其匝数,当P接a时,原副线圈的匝数比为5:1,b为原线圈的中点,副线圈接有电容器C、灯泡L、理想电流表A以及R=44Ω的定值电阻.若原线圈接有u=311sin100πt?V的交变电压,下列判断正确的是( )
A.当P接a时,灯泡两端电压为44V
B.当P接b时,电流表的读数为2A
C.P接b时灯泡消耗功率比P接a时大
D.P固定在a点不移动,原线圈改接u=311sin200πt?V的电压,灯泡亮度不变