时间:2017-07-27 11:38:14
1、选择题 一个已充电的电容器,若使它的电量减少3×10-4C,则其电压减少为原来的1/3,则
A.电容器原来的带电量为9×10-4C
B.电容器原来的带电量为4.5×10-4C
C.电容器原来的电压为1 V
D.电容器的电容变为原来的1/3
参考答案:B
本题解析:由
得到
,
,A错,B对;因电容器的电容不知,所以无法求出电容器原来的电压,C错;电容器的电容由电容器本身决定,跟电压和电荷量的变化无关,所以电容器的电容不变,D错。
点评:本题学生熟练掌握电容器的定义式,明确电容与电压,电荷量无关。
本题难度:简单
2、简答题 在研究平行板电容器的电容与哪些因数有关的实验中,给电容器充电后有三种操作情形如图:
甲图中B板上移时静电计指针偏角______;乙图中B板左移时板间电场强度______;丙图中插入电介质时静电计指针偏角______.(填“变小”、“不变”或“变大”)
参考答案:甲图中电容器极板的正对面积减小,由C=?S4πkd分析得知,电容C减小,而电容器的电量Q不变,由C=QU知,板间电势差变大,则静电计指针偏角变大.
根据电容的定义式C=QU、决定式C=?S4πkd和E=Ud得:板间电场强度E=4πkQ?S,与d无关,故B板左移时板间电场强度不变.
丙图中插入电介质时,由C=?S4πkd分析得知,电容C增大,而电容器的电量Q不变,由C=QU知,板间电势差变小,则静电计指针偏角变小.
故答案为:变大、不变、变小
本题解析:
本题难度:一般
3、选择题 有关电容器,下列说法中正确的是:
A.电容器的电容与所带电量成正比;
B.电容器的电容与两极板电势差成反比;
C.在击穿电压以下,无论电容器的电量如何,它所带的电量与电压的比值是不变的
D.不论电容器是否带电,它的电容量只决定于电容器的大小和形状.
参考答案:CD
本题解析:略
本题难度:简单
4、简答题 三个规格相同的电容器,电容都为C,把它们串联后接到电动势为E的电源上,充电结束后再切断电源.然后同时接入两个阻值为R的电阻,电路连接如图所示,问每个电阻上放出的热量Q是多少?
参考答案:充电完毕后,各电容器电压为E3,所带电量为E3C.
上一个电阻为R,下一个也为R,中间的电容器为C,C上的电荷均匀的和另两个电容器中和.
开始时各电容器上的电压U=E3,
则E总=3×0.5×(E3)2=16CE2
放电后各电容器上的电压U"=E9,
则E"总=3×0.5×C(E9)2=CE254
每个电阻上放出的热量为Q=E总-E"总=227CE2
答:每个电阻上放出的热量为Q=227CE2
本题解析:
本题难度:一般
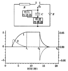
5、填空题 如图为研究电容器充、放电的电路图,电源直流6 V左右,电容用10 000 μF的电解电容,先将开关S与“1”端相连,电源向电容器充电,然后把开关S掷向“2”端,电容器通过电阻R放电,将传感器测得的电流、电压信息传入计算机,屏幕上显示出电流和电压随时间变化的图线为下图中的“1” 和“2”,其中图线__________(填“1”或“2”)为电流随时间变化的图线;__________时刻(填“t1”“t2”或“t3”)为电容器开始放电的时刻。

参考答案:2,t2
本题解析:
本题难度:一般