时间:2017-07-17 08:41:17
1、简答题  两只内阻不知的电压表串联后接在电源的两极间,表A的读数8V,表B读数5V,表B单独接在电源两极间,表B的读数为10V,求电源电动势
参考答案:16V
本题解析:
本题难度:一般
2、填空题  如图甲所示的电路中,电源电动势ε=8V,内阻不计,R1=10Ω,R2=30Ω,它们都是阻值不随温度改变的定值电阻,白炽灯L1和L2相同,它们的I-U特性曲线如图乙所示,则当电键S断开时通过白炽灯L1的电流______A.当电键S闭合时两个白炽灯消耗的总功率为______W.
参考答案:在题图中的电路中,设灯泡L1的实际电压和实际电流分别为U和I.?在这个闭合电路中,有
? E=U+IR
代入数据并整理得,U=8-10I
这是一个直线方程,把该直线在题I-U图线画出,如图所示
这两条曲线的交点为U=5V、I=0.3A,
通过白炽灯L1的电流是0.3A
当电键S闭合时,设每只电灯加上的实际电压和实际电流分别为U和I.?在这个闭合电路中,有
? E=U+(2I+UR2)R1
代入数据并整理得,U=6-15I
这是一个直线方程,把该直线在题图上画出,如图所示
这两条曲线的交点为U=3V、I=0.2A,当电键S闭合时两个白炽灯消耗的总功率为P=2UI=1.2W
故答案为:0.3,1.2.
本题解析:
本题难度:一般
3、选择题  将一电源电动势为E,内阻为r的电池,与外电路连接,构成一个闭合电路,用R表示外电路电阻,I表示电路的总电流,下列说法正确的是
A.由U外=IR可知,外电压随I的增大而增大
B.由U内=Ir可知,电源两端的电压,随I的增大而增大
C.由U=E-Ir可知,电源输出电压,随输出电流I的增大而减小
D.由P=IU可知,电源的输出功率P随输出电流I的增大而增大
参考答案:C
本题解析:当电路中电流变化时,电路中电阻一定变化了,所以判断外电压的变化不能用IR判断,故A错误
电源两端的电压,即路端电压,由U=E-Ir可知,电源输出电压,随输出电流I的增大而减小,B错误C正确
随输出电流I的增大,路端电压减小,由P=IU可知,电源的输出功率P随输出电流I的增大无法判断大小,故D错误
故选C
本题难度:一般
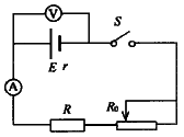
4、填空题  在如图所示的电路中,理想电压表的量程有0-3V和O-15V两档,理想电流表的量程有0-0.6A和0-3A两档。现闭合电键S,电压表、电流表示数分别为2.5V和0.3A;若向右移动滑动变阻器滑片P,则电压表的示数将_______________,电流表的示数将_______________。(填“变大”或“变小)继续向右移动滑片P到达某一位置时,电压表指针指在满偏的l/5,电流表指针指在满偏的1/3,则此电压表所选择的量程为_______________,此电流表所选择的量程为_______________,该电源的电动势为_______________V。 
参考答案:变大,变小,0-15V,0-0.6A,4
本题解析:
本题难度:一般
5、计算题  如图所示,电源电动势为6V,内阻为1 Ω,R1=5 Ω,R2=10 Ω,滑动变阻器R3阻值变化范围为0~10Ω,求电路中的总电流范围。
参考答案:解:当R3阻值为零时,R2被短路,外电阻最小,电流最大
R外=R1=5 Ω,
当R3阻值为10 Ω时,外电阻最大,电流最小
R并= ,R外"=R1+R并=10 Ω
,R外"=R1+R并=10 Ω 
本题解析:
本题难度:一般