时间:2017-07-17 08:31:39
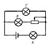
1、选择题  如图所示,当滑动变阻器滑动触头向左移动时,灯泡A、B、C的亮度将(? )
A.都变亮
B.都变暗
C.A、B变暗,C变亮
D.A、B变亮,C变暗
2、选择题  如图所示,电源电动势为E,内电阻为r,当滑动变阻器的滑片由b向a滑动过程中,下列说法中正确的是:
A.电阻R两端的电压增大 
B.电容器C两端电压减小
C.电容器C上所带的电量增加 
D.路端电压增大
3、实验题  (8分)在把电流表改装为电压表的实验中,实验所用的电流表满刻度电流为200 ,欲将此表改装成量程为2V的电压表。
,欲将此表改装成量程为2V的电压表。
(1)为测出电流表的内阻,采用如图所示的电路原理图。请将以下各实验步骤填写完整。
①依照电路原理图将实物连接成实验线路, R阻值应尽可能    些,开始时两电键均断开。
②将R阻值调至最大,闭合电键_________,调节________的阻值,使电流表达到满刻度。
③闭合_________,调节   的阻值使电流表读数达到满偏一半。
④读出   的读数,即为电流表的内阻。
(2)实验完毕时,两个电阻箱读数如下图所示,则电流表内阻 =____
=____ .这种方法测出的电流表的内阻
.这种方法测出的电流表的内阻 比它的真实值_______(选填“偏大”、“偏小”或“相等”)
比它的真实值_______(选填“偏大”、“偏小”或“相等”)
4、选择题  一台直流电动机额定电压为100V,正常工作时电流为20A,线圈内阻为0.5W,那么在1min内
A.电动机线圈产生的热量为1.2?104J
B.电动机消耗的电能为1.2?104J
C.电动机对外做功1.2?105J
D.电源输入给电动机的功率为2KW
5、选择题  矩形导线框abcd固定在匀强磁场中,如图甲所示,磁感线的方向与导线框所在平面垂直,规定磁场的正方向垂直纸面向里,磁感应强度B随时间t变化的规律如图乙所示,则(  )
A.从0到t1时间内,导线框中电流的方向为adcba
B.从0到t1时间内,导线框中电流越来越小
C.从t1到t2时间内,导线框中电流越来越大
D.从t1到t2时间内,导线框bc边受到安培力大小保持不变