时间:2017-07-10 21:46:38
1、填空题  一个标有“12V”字样,功率未知的灯泡,测得灯丝电阻R随灯泡两端电压变化的关系图线如图所示。在正常发光情况下,灯泡的电功率P=______W;若一定值电阻与灯泡串联,接在20V的电压上,灯泡能正常发光,则串联电阻的阻值为___________Ω。
2、计算题  如图所示的电路中,已知电源的电动势 ,内阻不详,?
,内阻不详,? ,
, 。电阻
。电阻 未知,将理想的安培表和伏特表接入电路中后,安培表的读数为1A,伏特表的读数为4V,试求出电源的内电阻和
未知,将理想的安培表和伏特表接入电路中后,安培表的读数为1A,伏特表的读数为4V,试求出电源的内电阻和 的阻值。
的阻值。
3、实验题  用如图甲所示的多用电表测量电阻,要用到选择开关K和两个部件S、T。
(1)请根据下列步骤完成电阻测量:
①旋动部件________,使指针对准电流的“0”刻度线。
②将K旋转到电阻挡“×100”位置。
③将插入“+”、“ ”插孔的表笔短接,旋动部件______,使指针对准电阻的“0”刻度线。
(2)将调好零的多用电表按正确步骤测量一电学元件P的电阻,P的两端分别为a、b,指针指示位置如图乙所示。则通过P的电流方向是________(选填“a→b”或“b→a”),为使测量比较精确,应将选择开关旋到________的倍率挡位上,并需重新调零,再进行测量。
4、计算题  如图所示的电路中,已知电压表可视为理想电压表,电阻R=10 Ω,当开关S断开时,电压表示数为6 V,当开关S闭合时,电压表示数为5.46 V,则电源的内阻为多少?
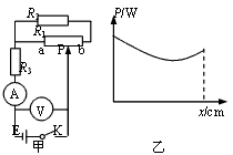
5、选择题  某同学设计了如图甲所示电路研究电源输出功率随外电阻变化的规律。电源电动势E恒定,内电阻r=6Ω,R1为滑动变阻器,R2、R3为定值电阻,A、V为理想电表。当滑动变阻器滑臂从a到b移动的过程中,输出功率随滑臂移动距离x的变化情况如乙图所示,则R1的最大阻值及R2、R3的阻值可能为下列哪组( ? )
