时间:2017-07-10 21:46:38
1、选择题 在如图2所示的电路中,AB为粗细均匀、长为L的电阻丝,以A、B上各点相对A点的电压为纵坐标,各点离A点的距离x为横坐标,则U随x变化的图线应为图3中的? ( )

2、选择题 如图所示,电源电动势为E,内电阻为r.两电压表可看作是理想电表,当闭合开关,将滑动变阻器的触片由右端向左滑动时,下列说法中正确的是( )
A.小灯泡L1变亮
B.小灯泡L2变暗
C.V1表的读数变大
D.V2表的读数变大
3、计算题 如图所示的电路中,电源的电动势E=12V,内阻未知,R1=8Ω,R2=1.5Ω,L为规格“3V,3W”的灯泡,开关S断开时,灯泡恰好正常发光。(不考虑温度对灯泡电阻的影响)试求:
(1)灯泡的额定电流和和灯丝电阻;
(2)电源的内阻;
(3)开关S闭合时,灯泡实际消耗的功率。 
4、填空题 将电动势为3.0V的电源接入电路中,测得电源两极间的电压为2.4V,当电路中有6C的电荷流过时,有??J其它形式的能转化为电能;外电路中有?J的电能转化为其它形式的能;内电路中有?J的电能转化为内能。
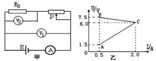
5、选择题 如图甲所示,在滑动变阻器的滑动触头P从一端滑到另一端的过程中,两块理想电压表的示数随电流表示数的变化情况如图乙所示,则滑动变阻器的最大阻值和定值电阻R0的值分别为

[? ]