时间:2017-03-05 17:39:46
1、选择题 一台发电机最大输出功率为4000kW,电压为4000V,经变压器T1升压后向远方输电.输电线路总电阻R=1kΩ.到目的地经变压器T2降压,负载为多个正常发光的灯泡(220V、60w).若在输电线路上消耗的功率为发电机输出功率的10%,变压器T1和T2的耗损可忽略,发电机处于满负荷工作状态,则( )
A.T1原、副线圈电流分别为103A和200A
B.T2原、副线圈电压分别为1.8×105V和220V
C.T1和T2的变压比分别为1:50和40:1
D.有6×105盏灯泡(220V、60w)正常发光
参考答案:A、T1原线圈电流为I1=PU=4000×1034000A=103A,而副线圈电流I线=
本题解析:
本题难度:一般
2、选择题 要使变压器副线圈两端电压为零,变压器原线圈两端的电压随时间的变化应是
参考答案:B
本题解析:变压器的工作原理是利用电磁感应原理工作的,所以当原线圈两端的电压恒定不变时,副线圈两端的电压为零,故选B
考点:考查了变压器工作原理
点评:基础题,关键是理解变压器的工作原理
本题难度:一般
3、选择题 如图所示为理想变压器及其工作电路,原、副线圈匝数比n1:n2=2:1,电压表和电流表均为理想电表,原线圈接函数表达式
的交流电,
为半导体热敏电阻(其电阻随温度升高而变小).R1、R2为定值电阻,C为电容器。下列判断正确的是
A.V1表的示数为220 V
B.R2的电功率为零
C.副线圈输出电压的函数表达式为
D.RT处温度升高时,V1表示数不变,V2表和A表的示数均变大
参考答案:A
本题解析:由题意可知原线圈的输入电压为
,即V1表的示数为220 V,故选项A正确;由于原线圈输入交流电,副线圈也输出交流电,所以有电流通过电容器,即通过电阻R2的电流不为零,功率不为零,故选项B错误;由于原副线圈的电流频率相同,故选项C错误;副线圈相当于电源,其电压为
,当半导体电阻温度升高时,其阻值减小,副线圈负载减小,副线圈电流I2变大,即电流表的示数变大,由闭合电路的欧姆定律可知电压表V2的示数
减小,故选项D错误.
本题难度:一般
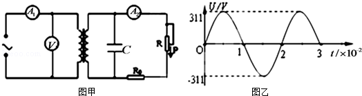
4、选择题 (2015?贵州一模)如图甲所示电路,理想变压器原线圈输入电压如图乙所示,副线圈电路中R0为定值电阻,R是滑动变阻器,C为耐压值为22v的电容器,所有电表均为理想电表.下列说法正确的是( )
A.副线圈两端电压的变化频率为0.5Hz
B.电流表的示数表示的是电流的瞬时值
C.滑动片P向下移时,电流表A1和A2示数均增大
D.为保证电容器C不被击穿,原副线圈匝数比应小于10:1
参考答案:C
本题解析:根据图乙知交流电周期为0.02s,所以频率为50Hz,由题意知灯泡两端电压为22V,求副线圈电流,根据欧姆定律求匝数比,滑动变阻器的触头向右滑动,电阻增大,而副线圈电压不变,变压器的输入功率等于输出功率减小.
解:A、根据图乙知交流电周期为0.02s,所以频率为50Hz,A错误;
B、电流表的示数表示的是电流的有效值,故B错误;
C、滑动变阻器的触头向下滑动,电阻减小,而副线圈电压不变,则电流变大,故C正确;
D、由题意知,原线圈的最大电压为311V,而电容器的耐压值为22V,即为最大值,
根据原副线圈的电压有效值与匝数成正比,则有原副线圈匝数比应小于
=10
:1故D错误;
故选:C.
点评:掌握变压器的变压特点,会从图象中获取有用的物理信息,能够用动态分析法分析电路的变化.
本题难度:一般
5、选择题 如图甲所示,理想变压器原、副线圈的匝数比为10:1,R1=20
,R2=30
,C为电容器。已知通过R1的正弦交流电如图乙所示,则
A.交流电的频率为0.02Hz
B.原线圈输入电压的最大值为200
V
C.电阻R2的电功率约为6.67 W
D.通过R3的电流始终为零
参考答案:C
本题解析:根据变压器原理可知原副线圈中电流的周期、频率相同,周期为0.02s、频率为50赫兹,A错。由图乙可知通过R1的电流最大值为Im=1A、根据欧姆定律可知其最大电压为Um=20V,再根据原副线圈的电压之比等于匝数之比可知原线圈输入电压的最大值为200 V,B错;因为电容器有通交流、阻直流的作用,则有电流通过R3和电容器,D错;根据正弦交流电的峰值和有效值关系以及并联电路特点可知,电阻R2的电流有效值为I=
、电压有效值为U=Um/
V,电阻R2的电功率为P2=UI=
W,C对。
本题难度:一般