时间:2017-03-05 16:56:24
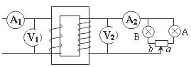
1、选择题 一理想变压器给负载供电,变压器输入电压不变,如图所示。电灯A上标有“10 V,10 W” 的字样,电灯B上标有“8 V,20 W”的字样,滑动变阻器的总电阻为6 Ω,当滑动触头由a端向b端滑动的过程中(不考虑电灯电阻的变化)。则图中所有交流电表的读数及输入功率变化情况正确的是(均为理想电表)(?) 
A.V1、V2不变,A1增大,A2增大,P先减小后增大
B.V1、V2不变,A1、A2增大,P增大
C.V1、V2不变,A1、A2减小,P先增大后减小
D.V1不变,V2增大,A1减小,A2减小,P减小
2、选择题 在如图所示的电路中,电源电动势为E=6V,内电阻r=5Ω,小灯泡甲的规格是“3V,0.3A”(灯泡电阻不随温度变化)。为使小灯泡甲最亮,小灯泡乙应选择 ( )
A.“3V,0.3A”
B.“3V,0.2A”
C.“6V,1.2A”
D.“2V,0.1A”
3、选择题 如图甲所示,光滑绝缘水平桌面上直立一个单匝矩形导线框,线框的边长LAB=0.3m,LAD=0.2m,总电阻为R=0.1Ω.在直角坐标系xoy中,有界匀强磁场区域的下边界与x轴重合,上边界满足曲线方程y=0.2sin
| 10π 3 |

4、选择题 在如图所示的电路中,闭合开关后,当滑动变阻器R1的滑动片P向a端移动时( )
A.
、
的示数都减小
B.
、
的示数都增大
C.
的示数增大,
的示数减小
D.
的示数减小,
的示数增大
5、选择题 如图所示,在坐标系xOy中,有边长为L的正方形金属线框abcd,其一条对角线ac和y轴重合、顶点a位于坐标原点O处.在y轴的右侧的Ⅰ象限内有一垂直纸面向里的匀强磁场,磁场的上边界与线框的ab边刚好完全重合,下边界与x轴重合,右边界与y轴平行.t=0时刻,线圈以恒定的速度v沿垂直于磁场上边界的方向穿过磁场区域.取沿a→b→c→d→a的感应电流方向为正,则在线圈穿越磁场区域的过程中,感应电流i、ab间的电势差Uab随时间t变化的图线是如图中的( )
A.
B.
C.
D.
